MMZシリーズ
-
MMZシリーズ
-
MMZシリーズ
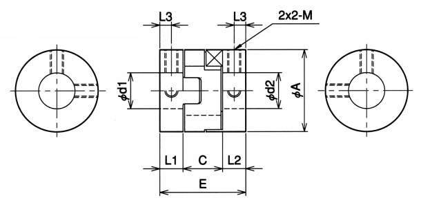
■スーパーゼロオルダムカップリングは加工精度の向上でバックラッシュゼロを実現しました。
■より強く、よりコンパクトな設計のため、今まで使用のできなかった精度の高い機器にも使用できます。
■慣性モーメントが小さく、捩れ剛性が大きく、電気絶縁性にも富み、しかもメンテナンスフリーで容易に組立・分解のできる扱いやすいカップリングです。
共通仕様
| 材質 | アルミ合金製 |
|---|---|
| 固定方式 | セットスクリュータイプ |

