MF-040
-
MF-040
-
MFシリーズ
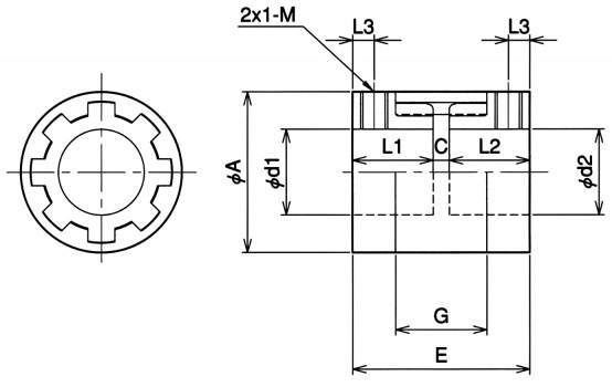
■MFカップリングは、ゴム製のスリーブ1個と、亜鉛ダイキャスト製(表面処理済)のハブ2個から成ります。
■スリーブとハブには、それぞれ内径、外径にスプラインが設けられており、これが噛み合ってトルクを伝達します。
■軸への固定はセットスクリューで行います。
共通仕様
| 材質 | ハブ:亜鉛ダイキャスト(表面処理済) スリーブ:ポリウレタン |
|---|---|
| 使用温度範囲 | -10℃~60℃ |

