Green Pot 接触形(コンダクティブ・プラスチック抵抗素子)回転角度センサ
●接触 回転型
●従来のものより寿命が向上:5000万回以上
●有効電気角:350°
●単独直線性:±0.1%
●レシオ出力
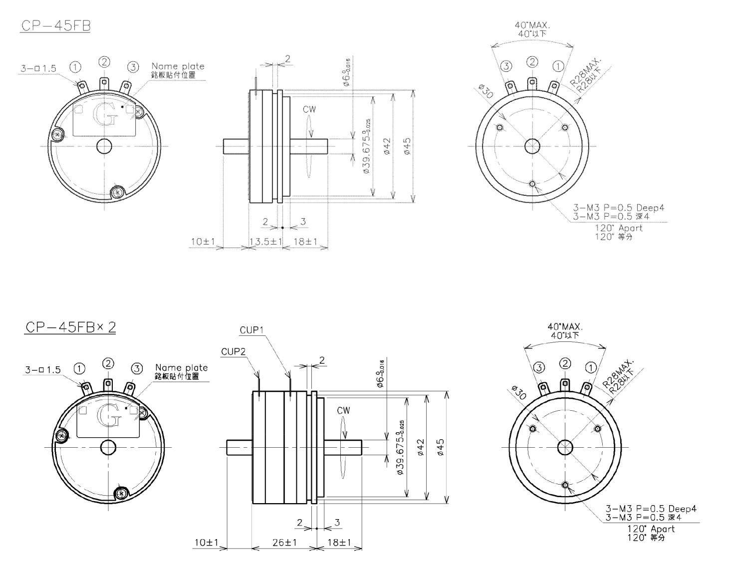
●サーボマウント取付及びスクリューマウント取付
【特殊仕様】
●2出力、出力位相
共通仕様
| 有効電気角(°) | 350+3、−2 |
|---|---|
| 全抵抗値(kΩ) | 標準:1、2、5、10 オプション:0.5、20 |
| 全抵抗値許容差(%) | ±15 |
| 単独直線性(%) | ±0.1 |
| 定格電力(W) | ・CP-45FB:3/70℃ ・CP-45FB×2:1.8/701℃ |
| 出力スムーズネス(%) | 0.1以下 |
| 絶縁抵抗(MΩ) | 100以上/DC1000V |
| 耐電圧(V) | AC1000/1分間 |
| 抵抗温度係数(ppm/K) | ±400 |
| 機械角(°) | 360エンドレス |
| 回転トルク(mN・m) | ・CP-45FB:1.8以下 ・CP-45FB×2:3.3以下 |
| 許容スラスト荷重(N) | 2 |
| 許容ラジアル荷重(N) | 6 |
| 質量 | ・CP-45FB:51 ・CP-45FB×2:75 |
| 回転寿命(回) | 5000万回以上 |
| 使用温度範囲(℃) | −40~+120 |
| 保存温度範囲(℃) | −40~+120 |
| 振動 | 200m/s2 2000Hz 3軸各2時間 |
| 衝撃 | 600m/s2 11ms 6方向各3回 |

