CF-X
-
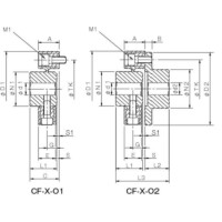
CF-X
■CF-Xモデル
・緩衝材に高品質のナイロン樹脂を採用。
・この構造とエレメント材質は、ねじり方向に硬く、こじり・軸方向にはすぐれたフレキシブル性を持ちながらバックラッシはありません。
・振動・衝撃を吸収しつつ正確な動力伝達を実現します。
・モデルは、エレメント(緩衝材)と円筒ハブ、フランジハブ、エレメント固定用のボルトから構成される単純な構造です。
■フレキシブル性に富んだエラスティックカップリング
・ゴムカップリングはゴムの弾性を、樹脂カップリングは樹脂の弾性を利用して、衝撃や振動を減衰・吸収するカップリングです。
・高フレキシブル、低騒音、潤滑不要なため保守が容易、構造が簡単、長寿命などの長所を備えています。
・建設機械、船舶、発電機などエンジンから一般産業機械まで幅広い実績があります。
■取り付け誤差を大きく許容し、振動・衝撃を素早く吸収するカップリング
・動力伝達要素にゴムまたは樹脂を採用したカップリングで、それら伝達要素の弾性を利用して、衝撃や振動を減衰・吸収します。
・フレキシブル性が高く、低騒音・潤滑不要なため保守が容易・構造が簡単・長寿命などの長所を備えています。
■優れた耐環境性
・振動・衝撃の吸収性に加え、耐寒・耐熱・耐油性に優れ、苛酷な環境での使用が可能です。
■高い耐久性
・円筒ハブとスプライン軸を完全に固定し、フレッティング磨耗を生じさせないクランピングハブをご用意できます(受注生産)。
■イージーメンテナンス
・軸方向への移動のみで簡単に入出力の連結・分離が可能で、メンテナンスが容易です。
共通仕様
| エレメント材質 | ナイロン樹脂 |
|---|---|
| 円筒ハブ材質 | S45C(りん酸塩被膜化成処理) |
| フランジハブ材質 | FC200 or FCD450(リン酸塩被膜化成処理) |
| ボルト材質 | 構造用合金鋼(亜鉛めっき処理) |

