モノづくりの困ったを解決する総合サイト

Produced by

三木プーリ

ヘリカルカップリング Aモデル

Aモデル

  • Aモデル

■優れたたわみ性、一体構造の螺旋スリットカップリング
・円柱状の材料に螺旋状のスリットを入れた完全一体構造の金属カップリングで、優れたフレキシブル性を持ち、バックラッシはありません。
・軸への取り付けは、止めねじ方式と摩擦によるクランプ方式の2種類が選べます。

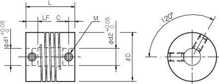
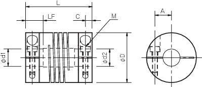
■Aモデル(ARM・ACRM)
・Aモデルは、最大5°の偏角を許容するすぐれたたわみ性を持つ1条スリットモデル。
・円柱状の材料に1本の螺旋状のスリットを入れた完全一体構造の金属カップリングで、バックラッシはありません。
・材質には、高力アルミ合金を採用し表面処理はアルマイト処理をほどこしており耐食性も良好です。
・軸への取り付けは、止めねじ方式とクランプ方式が選べます。

#カップリング

共通仕様

タイプ 1状スリット
本体材質 高力アルミ合金(7075材相当品)
締結方法 ARM:止めねじ
ACRM:クランプ

CADメーカーTOP

詳細仕様

  • 90件中 1-10件

  • 表示件数

90件の型式

型式 サイズ 締結方式 軸穴径
d1×d2
(mm)
D
(mm)
L
(mm)
LF
(mm)
A
(mm)
C
(mm)
M 締付
トルク
(N・m)
トルク(N・m) 許容誤差 最高
回転速度
(min-1)
ねじり
ばね定数
(N・m/rad)
慣性
モーメント
(kg・m2)
質量
(kg)
常用 最大 偏心 (mm) 偏角 (°) 軸方向 (mm)
ARM-050-3-2 ARM-050 止めねじ 3×2 12.7 12.7 3.2 - 1.6 M2/M1.6 0.09 0.3 0.6 0.25 5 ±0.25 25000 4.1 9.20×10^-8 0.004
ARM-050-3-3 ARM-050 止めねじ 3×3 12.7 12.7 3.2 - 1.6 M2 0.09 0.3 0.6 0.25 5 ±0.25 25000 4.1 9.20×10^-8 0.004
ARM-075-3-3 ARM-075 止めねじ 3×3 19.1 19.1 4.6 - 2.4 M2 0.7 1.0 2.0 0.25 5 ±0.25 25000 8.2 7.02×10^-7 0.013
ARM-075-4-3 ARM-075 止めねじ 4×3 19.1 19.1 4.6 - 2.4 M3/M2 0.7 1.0 2.0 0.25 5 ±0.25 25000 8.2 7.02×10^-7 0.013
ARM-075-4-4 ARM-075 止めねじ 4×4 19.1 19.1 4.6 - 2.4 M3 0.7 1.0 2.0 0.25 5 ±0.25 25000 8.2 7.02×10^-7 0.013
ARM-075-5-4 ARM-075 止めねじ 5×4 19.1 19.1 4.6 - 2.4 M3 0.7 1.0 2.0 0.25 5 ±0.25 25000 8.2 7.02×10^-7 0.013
ARM-075-5-5 ARM-075 止めねじ 5×5 19.1 19.1 4.6 - 2.4 M3 0.7 1.0 2.0 0.25 5 ±0.25 25000 8.2 7.02×10^-7 0.013
ARM-075-6-4 ARM-075 止めねじ 6×4 19.1 19.1 4.6 - 2.4 M3 0.7 1.0 2.0 0.25 5 ±0.25 25000 8.2 7.02×10^-7 0.013
ARM-075-6-5 ARM-075 止めねじ 6×5 19.1 19.1 4.6 - 2.4 M3 0.7 1.0 2.0 0.25 5 ±0.25 25000 8.2 7.02×10^-7 0.013
ARM-075-6-6 ARM-075 止めねじ 6×6 19.1 19.1 4.6 - 2.4 M3 0.7 1.0 2.0 0.25 5 ±0.25 25000 8.2 7.02×10^-7 0.013

・正逆回転使用時は、常用トルクが1/2になります。

型式 商品コード 単位 価格
(円)
基準納期
日伝 メーカー
ARM-050-3-2 ARM-050-3-2 P 9,100 - 15日間
ARM-050-3-3 ARM-050-3-3 P 9,100 - 15日間
ARM-075-3-3 ARM-075-3-3 P 10,900 - 15日間
ARM-075-4-3 ARM-075-4-3 P 10,900 - 15日間
ARM-075-4-4 ARM-075-4-4 P 10,900 在庫品 15日間
ARM-075-5-4 ARM-075-5-4 P 10,900 - 15日間
ARM-075-5-5 ARM-075-5-5 P 10,900 在庫品 15日間
ARM-075-6-4 ARM-075-6-4 P 10,900 - 15日間
ARM-075-6-5 ARM-075-6-5 P 10,900 在庫品 15日間
ARM-075-6-6 ARM-075-6-6 P 10,900 在庫品 15日間

この製品を見た人はこのような製品も見ています

1952年設立で、動力伝導機器・産業機器・制御機器等の機械設備及び機械器具関連製品の販売をしている専門総合商社です。
日本国内で40以上の拠点を持ち、信頼性の高い製品と技術力で、全国のものづくりに携わる方々のあらゆるお困りごとを解決しています。

Loading...