モノづくりの困ったを解決する総合サイト

Produced by

三木プーリ

パラフレックスカップリング CPEモデル

CPE

  • CPE

■取り付け誤差による軸反力を極小に抑えるピン・ブッシュカップリング
・本体材質にアルミ合金を採用したピン・ブッシュ式のカップリングです。
・この方式は、取り付け誤差による軸反力が極小であり、また、ピンとドライメタルの摩擦面における摺動によって減衰効果も得られます。

■剛性が高くバックラッシは極少、ピンとドライメタルによる減衰効果
・本体材質にアルミ合金を採用した、ピン・ブッシュ式のカップリングで、各部品の剛性が非常に高く、高精度なピンとドライメタルの組合わせでバックラッシを極めて小さく抑えてあります。
・各ハブの結合はユニバーサル方式のため、取り付け誤差による軸反力が極小であり、また、ピンとドライメタルの摩擦面における摺動によって減衰効果もあります。
・軸への取り付けは、摩擦によるクランプ方式を採用しており、取り付けはいたって容易です。

■CPEモデル
・本体材質にアルミ合金を採用した、ピン・ブッシュ式のカップリングで、高精度なピンとドライメタルの組み合わせでバックラッシを極めて小さく抑えてあります。
・全長を抑えたコンパクト設計で許容できる偏角は1°です。
・各ハブの結合はユニバーサル方式のため、取り付け誤差による軸反力が極小であり、また、ピンとドライメタルの摩擦面における摺動によって減衰効果もあります。
・軸への取り付けは、摩擦によるクランプ方式を採用しており、取り付けはいたって容易です。

■ピンとメタルブッシュにより摩擦減衰効果

■偏心、偏角による反力が極小

#カップリング

共通仕様

材質 ハブ:アルミ合金
ネジ:構造用合金鋼(黒染め処理)

CADメーカーTOP

詳細仕様

  • 139件中 1-10件

  • 表示件数

139件の型式

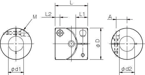
型式 サイズ 軸穴径(mm) D
(mm)
L
(mm)
L1
(mm)
L2
(mm)
M A
(mm)
トルク(N・m) 軸締結部分トルク制限
(N・m)
常用/最大
許容誤差 最高
回転速度
(min-1)
ねじり
ばね定数
(N・m/rad)
慣性
モーメント
(kg・m2)
質量
(kg)
d1 d2 常用 最大 偏心 (mm) 偏角 (°)
CPE-19-3B-3B CPE-19 3 3 19 19.4 6.0 3.0 M2.5 6 0.7 1.4 0.4/0.8 0.2 1 6000 500 0.69×10^-6 0.015
CPE-19-3B-4B CPE-19 3 4 19 19.4 6.0 3.0 M2.5 6 0.7 1.4 0.4/0.8 0.2 1 6000 500 0.69×10^-6 0.015
CPE-19-3B-5B CPE-19 3 5 19 19.4 6.0 3.0 M2.5 6 0.7 1.4 0.4/0.8 0.2 1 6000 500 0.69×10^-6 0.015
CPE-19-3B-6B CPE-19 3 6 19 19.4 6.0 3.0 M2.5 6 0.7 1.4 0.4/0.8 0.2 1 6000 500 0.69×10^-6 0.015
CPE-19-3B-6.35B CPE-19 3 6.35 19 19.4 6.0 3.0 M2.5 6 0.7 1.4 0.4/0.8 0.2 1 6000 500 0.69×10^-6 0.015
CPE-19-3B-7B CPE-19 3 7 19 19.4 6.0 3.0 M2.5 6 0.7 1.4 0.4/0.8 0.2 1 6000 500 0.69×10^-6 0.015
CPE-19-3B-8B CPE-19 3 8 19 19.4 6.0 3.0 M2.5 6 0.7 1.4 0.4/0.8 0.2 1 6000 500 0.69×10^-6 0.015
CPE-19-4B-4B CPE-19 4 4 19 19.4 6.0 3.0 M2.5 6 0.7 1.4 - 0.2 1 6000 500 0.69×10^-6 0.015
CPE-19-4B-5B CPE-19 4 5 19 19.4 6.0 3.0 M2.5 6 0.7 1.4 - 0.2 1 6000 500 0.69×10^-6 0.015
CPE-19-4B-6B CPE-19 4 6 19 19.4 6.0 3.0 M2.5 6 0.7 1.4 - 0.2 1 6000 500 0.69×10^-6 0.015

型式 商品コード 単位 価格
(円)
基準納期
日伝 メーカー
CPE-19-3B-3B CPE-19-3B-3B P 7,060 - 4日間
CPE-19-3B-4B CPE-19-3B-4B P 7,060 - 4日間
CPE-19-3B-5B CPE-19-3B-5B P 7,060 - 4日間
CPE-19-3B-6B CPE-19-3B-6B P 7,060 - 4日間
CPE-19-3B-6.35B CPE-19-3B-6.35B P 7,060 - 4日間
CPE-19-3B-7B CPE-19-3B-7B P 7,060 - 4日間
CPE-19-3B-8B CPE-19-3B-8B P 7,060 - 4日間
CPE-19-4B-4B CPE-19-4B-4B P 7,060 - 4日間
CPE-19-4B-5B CPE-19-4B-5B P 7,060 - 4日間
CPE-19-4B-6B CPE-19-4B-6B P 7,060 - 4日間

この製品を見た人はこのような製品も見ています

1952年設立で、動力伝導機器・産業機器・制御機器等の機械設備及び機械器具関連製品の販売をしている専門総合商社です。
日本国内で40以上の拠点を持ち、信頼性の高い製品と技術力で、全国のものづくりに携わる方々のあらゆるお困りごとを解決しています。

Loading...