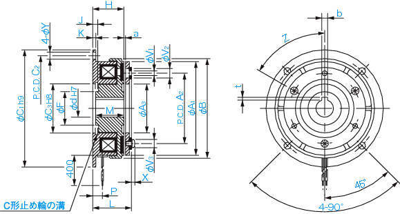
101-□-13G
-
101-□-13G
-
101-□-15G
-
101-□-11G
■励磁作動形クラッチ
・さまざまな一般産業機械を正確に制御するクラッチ。
・クラッチは駆動部と負荷の間に配置することで動力の連結・切り離しを正確におこないます。
・この基本の使用方法を応用しクラッチとブレーキを組み合わせることで有段変速機構や正・逆回転切り替え、位置決め・割り出し、寸動運転などさまざまな応用が可能です。
・制御が簡単でメンテナンスも容易であることも魅力のひとつです。
■101モデル(クラッチ)
・一般産業機械全般に適合するクラッチです。
・合理的な設計により、トルク特性・応答性など、クラッチに必要な全ての性能にすぐれ、しかも耐久性にもすぐれています。
・101モデルはフランジ取り付け形です。
・取り付け形状の異なる3つのアーマチュアアッセンブリと組み合わせることにより、取り付け条件に応じることができます。
■フランジ取付(壁面取り付けタイプ)
・フランジ取り付け形ステータを使用します。
・この形は軸方向の寸法が短いので、取り付けスペースが小さくて済みます。
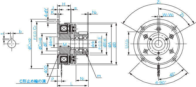
■ダイレクト取付け用(アーマチュア3型)
・突き合わせ・平行軸両用タイプ
・アーマチュア以外の部分(Vプーリ)などをお客様でご用意していただくタイプで、突き合わせ・通し軸どちらにも設計可能です。
【アーマーチュア】
■通し軸用(アーマチュア5型)
・平行軸巻き掛け連結タイプ
・通し軸用アーマチュアアッセンブリを使用します。
・この使用法は比較的取り付けが容易になると同時に、非常に合理的な取り付けができます。
■突合せ軸用(アーマチュア1型)
・突き合わせタイプ
・突き合わせ軸用のアーマチュアアッセンブリを使用します。
・心出しなど、取り付けが面倒になり、合フランジを用いたり、フレキシブルカップリングの併用などが必要な場合もあります。
共通仕様
| 適用電源装置 | BES・BEH |
|---|

