111-□-13G
-
111-□-13G
-
111-□-12G
-
111-□-11G
■励磁作動形クラッチ・ブレーキ
・さまざまな一般産業機械を正確に制御するクラッチ・ブレーキ。
・クラッチは駆動部と負荷の間に配置することで動力の連結・切り離しを正確におこないます。
・ブレーキは負荷慣性や機械系を減速・停止また、静止状態の保持に使用します。
・この、基本の使用方法を応用しクラッチとブレーキを組み合わせることで有段変速機構や正・逆回転切り替え、位置決め・割り出し、寸動運転などさまざまな応用が可能です。
・制御が簡単でメンテナンスも容易であることも魅力のひとつです。
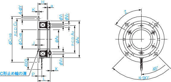
■111モデル(ブレーキ)
・基本設計がクラッチと同じ薄型のブレーキです。
・クラッチ同様すぐれた性能を持ち、特に応答性にすぐれ、負荷の急停止に威力を発揮します。
・取り付け形状の異なる3種類のアーマチュアアッセンブリがありますので、最適なものを選ぶことができます。
【アーマーチュア】
■シャフト取付(アーマチュア1型・2型)
・軸取り付けタイプ
・アーマチュア1型、一般形状の使いやすいタイプ。
・アーマチュア2型、薄型・省スペースタイプ。
・ほとんどの場合が軸の制動ですので、いかに有効に軸に取り付けるか がポイントです。
■シャフト取付(アーマチュア3型)
・回転体取り付けタイプ
・軸に固定しない慣性体は、軸を止めても止まりませんので、直接慣性体に取り付けるアーマチュアアッセンブリを使用します。
■電磁クラッチ・電磁ブレーキとは
・コイルに通電することにより発生する電磁力を利用して動力や回転運動を制御する装置です。
・クラッチは動力の連結と切り離し、ブレーキは回転運動の制動と保持を行い、その作動方法によって励磁作動形と無励磁作動形に分けることができます。
・励磁作動形とは、コイルへの通電を行うことで動作するクラッチ・ブレーキで、無励磁作動形とは、停電時などコイルへの通電が切れたときにスプリングの力で動作するブレーキを指します。
共通仕様
| 適用電源装置 | BES・BEH |
|---|

