モノづくりの困ったを解決する総合サイト

Produced by

三木プーリ

励磁作動形ブレーキ 111

111-□-13G

  • 111-□-13G

  • 111-□-12G

  • 111-□-11G

■励磁作動形クラッチ・ブレーキ
・さまざまな一般産業機械を正確に制御するクラッチ・ブレーキ。
・クラッチは駆動部と負荷の間に配置することで動力の連結・切り離しを正確におこないます。
・ブレーキは負荷慣性や機械系を減速・停止また、静止状態の保持に使用します。
・この、基本の使用方法を応用しクラッチとブレーキを組み合わせることで有段変速機構や正・逆回転切り替え、位置決め・割り出し、寸動運転などさまざまな応用が可能です。
・制御が簡単でメンテナンスも容易であることも魅力のひとつです。

■111モデル(ブレーキ)
・基本設計がクラッチと同じ薄型のブレーキです。
・クラッチ同様すぐれた性能を持ち、特に応答性にすぐれ、負荷の急停止に威力を発揮します。
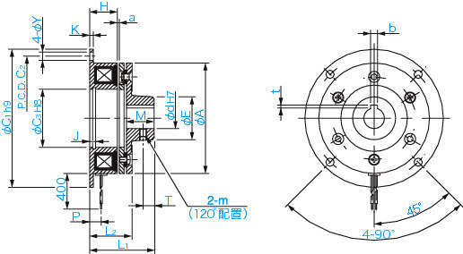
・取り付け形状の異なる3種類のアーマチュアアッセンブリがありますので、最適なものを選ぶことができます。

【アーマーチュア】
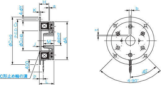
■シャフト取付(アーマチュア1型・2型)
・軸取り付けタイプ
・アーマチュア1型、一般形状の使いやすいタイプ。
・アーマチュア2型、薄型・省スペースタイプ。
・ほとんどの場合が軸の制動ですので、いかに有効に軸に取り付けるか がポイントです。

■シャフト取付(アーマチュア3型)
・回転体取り付けタイプ
・軸に固定しない慣性体は、軸を止めても止まりませんので、直接慣性体に取り付けるアーマチュアアッセンブリを使用します。


■電磁クラッチ・電磁ブレーキとは
・コイルに通電することにより発生する電磁力を利用して動力や回転運動を制御する装置です。
・クラッチは動力の連結と切り離し、ブレーキは回転運動の制動と保持を行い、その作動方法によって励磁作動形と無励磁作動形に分けることができます。
・励磁作動形とは、コイルへの通電を行うことで動作するクラッチ・ブレーキで、無励磁作動形とは、停電時などコイルへの通電が切れたときにスプリングの力で動作するブレーキを指します。

#電磁ブレーキ

共通仕様

適用電源装置 BES・BEH

詳細仕様

  • 63件中 1-10件

  • 表示件数

63件の型式

型式 タイプ サイズ 動摩擦
トルク
(N・m)
静摩擦
トルク
(N・m)
コイル(at20℃) 最高回転速度
(min-1)
アーマチュア 径方向寸法(mm) 径方向寸法(mm) 軸方向寸法(mm)
電圧 (V) 容量 (W) 電流 (A) 抵抗 (Ω) 穴径d (mm) キー溝 規格 A A1 A2 A3 C1 C2 C3 V1 V2 V3 E Y Z m H J K L L1 L2 M P T X a
111-06-13G-24V ダイレクト取付 06 5 5.5 DC24 11 0.46 52 8000 - - - 63 46 34.5 80 72 35 3-3.1 3-6.3 3-5.5 - 5 6-60° - 18 3.5 2.1 22 - - - 7.3 - 2.5 0.2
111-08-13G-24V ダイレクト取付 08 10 11 DC24 15 0.63 38 6000 - - - 80 60 41.5 100 90 42 3-4.1 3-8 3-7 - 6 6-60° - 20 4.3 2.6 24.5 - - - 8.3 - 2.85 0.2
111-10-13G-24V ダイレクト取付 10 20 22 DC24 20 0.83 29 5000 - - - 100 76 51.5 125 112 52 3-5.1 3-10.5 3-9 - 7 6-60° - 22 5 3.1 28 - - - 9 - 3.3 0.2
111-12-13G-24V ダイレクト取付 12 40 45 DC24 25 1.09 23 4000 - - - 125 95 61.5 150 137 62 3-6.1 3-12 3-11 - 7 6-60° - 24 5.5 3.6 31 - - - 9.3 - 3.3 0.3
111-16-13G-24V ダイレクト取付 16 80 90 DC24 35 1.46 16 3000 - - - 160 120 79.5 190 175 80 3-8.1 3-15 3-13 - 9.5 6-60° - 26 6 4.1 35 - - - 11.7 - 3.5 0.3
111-20-13G-24V ダイレクト取付 20 160 175 DC24 45 1.88 13 2500 - - - 200 158 99.5 230 215 100 3-10.2 3-18 3-17 - 9.5 6-60° - 30 7 5.1 41.5 - - - 13.4 - 4.9 0.5
111-25-13G-24V ダイレクト取付 25 320 350 DC24 60 2.5 9.6 2000 - - - 250 210 124.5 290 270 125 4-12.2 4-22 4-20 - 11.5 8-45° - 35 8 6.1 48 - - - 16 - 5.5 0.5
111-06-11G-24V-12DIN シャフト取付(一般) 06 5 5.5 DC24 11 0.46 52 8000 12 新JIS 63 - - - 80 72 35 - - - 26 5 - M4 18 3.5 2.1 - 37 25.5 15 7.3 6 - 0.2
111-06-11G-24V-12JIS シャフト取付(一般) 06 5 5.5 DC24 11 0.46 52 8000 12 旧JIS 63 - - - 80 72 35 - - - 26 5 - M4 18 3.5 2.1 - 37 25.5 15 7.3 6 - 0.2
111-06-11G-24V-15DIN シャフト取付(一般) 06 5 5.5 DC24 11 0.46 52 8000 15 新JIS 63 - - - 80 72 35 - - - 26 5 - M4 18 3.5 2.1 - 37 25.5 15 7.3 6 - 0.2

型式 商品コード 単位 価格
(円)
基準納期
日伝 メーカー
111-06-13G-24V 111-06-13G-24V P 39,000 - 15日間
111-08-13G-24V 111-08-13G-24V P 48,600 - 15日間
111-10-13G-24V 111-10-13G-24V P 57,400 - 15日間
111-12-13G-24V 111-12-13G-24V P 74,400 - 15日間
111-16-13G-24V 111-16-13G-24V P 104,000 - 15日間
111-20-13G-24V 111-20-13G-24V P 140,000 - 15日間
111-25-13G-24V 111-25-13G-24V P 228,000 - 15日間
111-06-11G-24V-12DIN 111-06-11G-24V-12DIN P 44,500 - 15日間
111-06-11G-24V-12JIS 111-06-11G-24V-12JIS P 44,500 - 15日間
111-06-11G-24V-15DIN 111-06-11G-24V-15DIN P 44,500 - 15日間

関連製品

この製品を見た人はこのような製品も見ています

1952年設立で、動力伝導機器・産業機器・制御機器等の機械設備及び機械器具関連製品の販売をしている専門総合商社です。
日本国内で40以上の拠点を持ち、信頼性の高い製品と技術力で、全国のものづくりに携わる方々のあらゆるお困りごとを解決しています。

Loading...