モノづくりの困ったを解決する総合サイト

Produced by

三木プーリ

サーボフレックスカップリング SFSモデル(ダブルエレメント・高精度摩擦締結) SFS-W

SFS-W-M-M

  • SFS-W-M-M

■高剛性・低慣性のサーボモータ用カップリング
・サーボモータなどの高速高精度位置決め・超精密制御用途に開発した金属ばねカップリングで、高剛性・高トルク・低慣性・高速応答を実現しながら、こじり方向・段違い方向・軸方向にやわらかいという特性を持っています。

■完全ノーバックラッシです。

■幅広いバリエーション
・サーボフレックスのスタンダードモデル。
・エレメント数、軸間距離、軸締結方法などの異なる18タイプをラインナップ。
・下穴品とキー・止めねじ品には無電解ニッケルめっき仕様も選択できます。

■部品出荷
・部品単位でお届けしますので、組み上がり状態では取り付けできない設計でもご使用いただけます。
・組み立て出荷や、異なる種類のハブを組み合わせることも可能です。

#カップリング

共通仕様

タイプ ダブルエレメント
フランジ材質 S45C相当品(黒染め処理)
スペーサ材質 SS400相当品(黒染め処理)
エレメント材質 板ばね SUS304
締結方法 高精度摩擦締結

CADメーカーTOP

詳細仕様

  • 29件中 1-10件

  • 表示件数

29件の型式

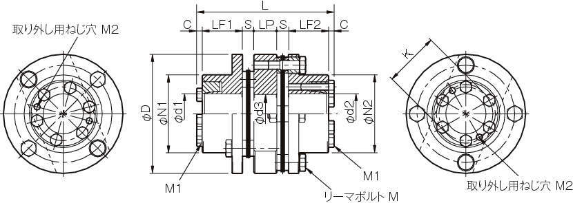
型式 サイズ 軸穴径(mm) D
(mm)
N1
(mm)
N2
(mm)
L
(mm)
LF1
(mm)
LF2
(mm)
S
(mm)
C
(mm)
d3
(mm)
K
(mm)
M M1 M2 許容
トルク
(N・m)
最高
回転速度
(min-1)
許容誤差 ねじり
ばね定数
(N・m/rad)
軸方向
ばね定数
(N/mm)
慣性
モーメント
(kg・m2)
質量
(kg)
d1 d2 偏心 (mm) 偏角 (°) 軸方向 (mm)
SFS-08W-15M-15M SFS-08W 15 15 82 54 54 93.6 30 30 6 4.8 28 38 8-M6×20 4-M6 2-M6 80 5000 0.3 1(片側) ±2.0 41000 30 1.16×10^-3 1.60
SFS-08W-15M-16M SFS-08W 15 16 82 54 54 93.6 30 30 6 4.8 28 38 8-M6×20 4-M6 2-M6 80 5000 0.3 1(片側) ±2.0 41000 30 1.16×10^-3 1.60
SFS-08W-15M-20M SFS-08W 15 20 82 54 54 93.6 30 30 6 4.8 28 38 8-M6×20 4-M6 2-M6 80 5000 0.3 1(片側) ±2.0 41000 30 1.16×10^-3 1.60
SFS-08W-15M-22M SFS-08W 15 22 82 54 54 93.6 30 30 6 4.8 28 38 8-M6×20 4-M6 2-M6 80 5000 0.3 1(片側) ±2.0 41000 30 1.16×10^-3 1.60
SFS-08W-16M-16M SFS-08W 16 16 82 54 54 93.6 30 30 6 4.8 28 38 8-M6×20 4-M6 2-M6 80 5000 0.3 1(片側) ±2.0 41000 30 1.16×10^-3 1.60
SFS-08W-16M-20M SFS-08W 16 20 82 54 54 93.6 30 30 6 4.8 28 38 8-M6×20 4-M6 2-M6 80 5000 0.3 1(片側) ±2.0 41000 30 1.16×10^-3 1.60
SFS-08W-16M-22M SFS-08W 16 22 82 54 54 93.6 30 30 6 4.8 28 38 8-M6×20 4-M6 2-M6 80 5000 0.3 1(片側) ±2.0 41000 30 1.16×10^-3 1.60
SFS-08W-20M-20M SFS-08W 20 20 82 54 54 93.6 30 30 6 4.8 28 38 8-M6×20 4-M6 2-M6 80 5000 0.3 1(片側) ±2.0 41000 30 1.16×10^-3 1.60
SFS-08W-20M-22M SFS-08W 20 22 82 54 54 93.6 30 30 6 4.8 28 38 8-M6×20 4-M6 2-M6 80 5000 0.3 1(片側) ±2.0 41000 30 1.16×10^-3 1.60
SFS-08W-22M-22M SFS-08W 22 22 82 54 54 93.6 30 30 6 4.8 28 38 8-M6×20 4-M6 2-M6 80 5000 0.3 1(片側) ±2.0 41000 30 1.16×10^-3 1.60

型式 商品コード 単位 価格
(円)
基準納期
日伝 メーカー
SFS-08W-15M-15M SFS-08W-15M-15M P 66,600 - 10日間
SFS-08W-15M-16M SFS-08W-15M-16M P 66,600 - 10日間
SFS-08W-15M-20M SFS-08W-15M-20M P 66,600 - 10日間
SFS-08W-15M-22M SFS-08W-15M-22M P 66,600 - 10日間
SFS-08W-16M-16M SFS-08W-16M-16M P 66,600 - 10日間
SFS-08W-16M-20M SFS-08W-16M-20M P 66,600 - 10日間
SFS-08W-16M-22M SFS-08W-16M-22M P 66,600 - 10日間
SFS-08W-20M-20M SFS-08W-20M-20M P 66,600 - 10日間
SFS-08W-20M-22M SFS-08W-20M-22M P 66,600 - 10日間
SFS-08W-22M-22M SFS-08W-22M-22M P 66,600 - 10日間

この製品を見た人はこのような製品も見ています

1952年設立で、動力伝導機器・産業機器・制御機器等の機械設備及び機械器具関連製品の販売をしている専門総合商社です。
日本国内で40以上の拠点を持ち、信頼性の高い製品と技術力で、全国のものづくりに携わる方々のあらゆるお困りごとを解決しています。

Loading...