SFH-G
-
SFH-G
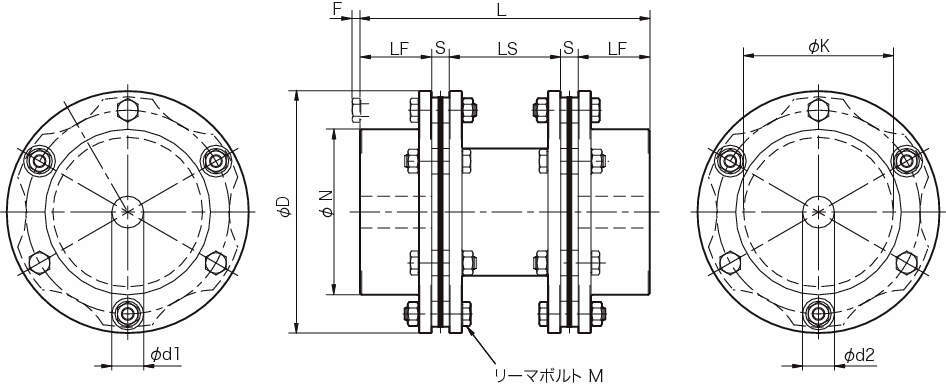
■高剛性・低慣性のサーボモータ用カップリング
・サーボモータなどの高速高精度位置決め・超精密制御用途に開発した金属ばねカップリングで、高剛性・高トルク・低慣性・高速応答を実現しながら、こじり方向・段違い方向・軸方向にやわらかいという特性を持っています。
■完全ノーバックラッシです。
■最大許容トルク8000N・m
・大容量トルク伝達用途に開発したモデルでねじり剛性が極めて高く、正確な軸の回転と超精密制御が可能です。
■全長指定可能
・エレメントの中間をフローティングシャフトでつなぐタイプは、ご要望にあわせて全長指定が可能です。
共通仕様
| タイプ | ダブルエレメント・フローティングシャフト |
|---|---|
| フランジハブ材質 | S45C相当品(黒染め処理) |
| スペーサ材質 | S45C相当品(黒染め処理) |
| エレメント材質 | 板ばね SUS304 |
| 締結方法 | 下穴品 |

