BSZ
-
BSZ
■励磁作動形クラッチ・ブレーキ
・さまざまな一般産業機械を正確に制御するクラッチ・ブレーキ。
・クラッチは駆動部と負荷の間に配置することで動力の連結・切り離しを正確におこないます。
・ブレーキは負荷慣性や機械系を減速・停止また、静止状態の保持に使用します。
・この、基本の使用方法を応用しクラッチとブレーキを組み合わせることで有段変速機構や正・逆回転切り替え、位置決め・割り出し、寸動運転などさまざまな応用が可能です。
・制御が簡単でメンテナンスも容易であることも魅力のひとつです。
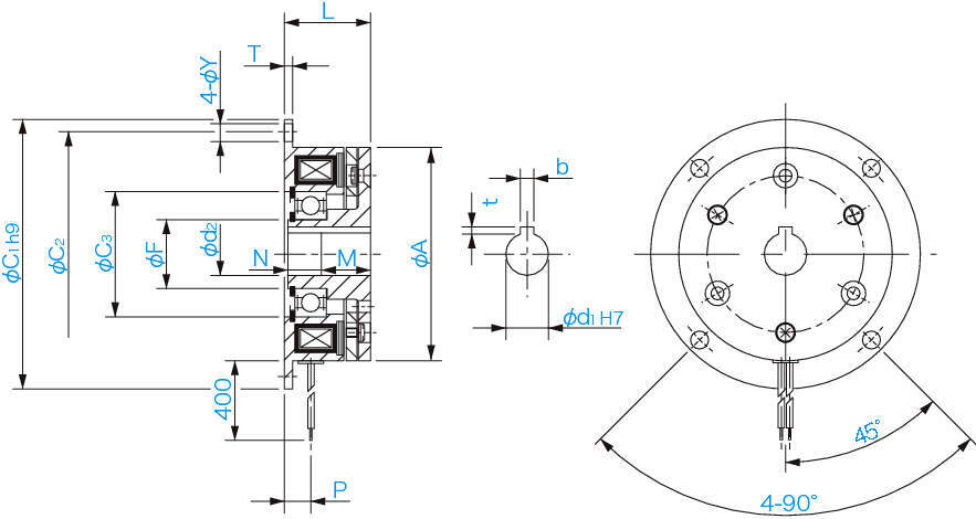
■BSZモデル(ブレーキ)
・各部パーツを一体構造として空隙調整などの組み立てにかかる時間を大幅に低減させたBSZモデル。
・励磁ブレーキの111-12タイプをベースに一体構造設計したモデルです。
・アーマチュア2型を用いているので、軸方向寸法が短く薄型・コンパクトです。
・一体構造ですからワンタッチ取り付けが可能です。
・隙間調整や同心度、偏心調整などわずらわしい取り付け時間を大幅に短縮することができ、作業性の向上はすぐれたコストパフォーマンスを発揮します。
■ワンタッチ取り付け形
・ブレーキの動作に必要な摩擦面のすき間を調整し、あらかじめ組み立てたモデルです。
・基本設計は標準タイプと同じで、あらかじめステータアーマチュアを組み立て済みのためわずらわしいすき間出しの必要がありません。
・ブレーキはフランジ面を取り付けるだけです。
・すき間調整と同心度・偏心の調整が不要で取り付け時間を大幅に削減します。
■電磁クラッチ・電磁ブレーキとは
・コイルに通電することにより発生する電磁力を利用して動力や回転運動を制御する装置です。
・クラッチは動力の連結と切り離し、ブレーキは回転運動の制動と保持を行い、その作動方法によって励磁作動形と無励磁作動形に分けることができます。
・励磁作動形とは、コイルへの通電を行うことで動作するクラッチ・ブレーキで、無励磁作動形とは、停電時などコイルへの通電が切れたときにスプリングの力で動作するブレーキを指します。
共通仕様
| 使用可能温度 | −10~+40℃ |
|---|---|
| バックラッシ | ゼロ |
| 適用電源装置 | BES・BEH |

