・固定側サポートユニットには、アンギュラ玉軸受けを与圧調整して組み込んでいます。
・取り付けに必要な部品も付属していますので、簡単に取り付けできます。
・標準在庫としておりますので、即納となります。
共通仕様
| ハウジング | S45C・S50C(四三酸化鉄皮膜) |
|---|---|
| ベアリング | アンギュラ玉軸受 |
森本精密シャフト
・固定側サポートユニットには、アンギュラ玉軸受けを与圧調整して組み込んでいます。
・取り付けに必要な部品も付属していますので、簡単に取り付けできます。
・標準在庫としておりますので、即納となります。
| ハウジング | S45C・S50C(四三酸化鉄皮膜) |
|---|---|
| ベアリング | アンギュラ玉軸受 |
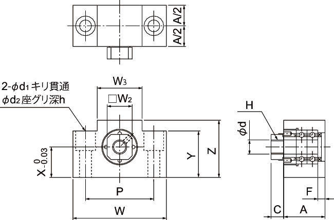
7件の型式
| 型式 |
軸径 d (mm) |
W (mm) |
Z (mm) |
X (mm) |
W2 (mm) |
W3 (mm) |
Y (mm) |
A (mm) |
C (mm) |
E (mm) |
F (mm) |
H (mm) |
P (mm) |
d1 (mm) |
d2 (mm) |
h (mm) |
ベアリング 型式 |
|---|---|---|---|---|---|---|---|---|---|---|---|---|---|---|---|---|---|
| MSK-6K | 6 | 42 | 25 | 13 | 12 | 18 | 20 | 20 | 5.5 | - | 3.5 | M6×0.75 | 30 | 5.5 | 9.5 | 11 | 706DFP5A |
| MSK-8K | 8 | 52 | 32 | 17 | 14 | 25 | 26 | 23 | 7 | - | 4 | M8×1.0 | 38 | 6.6 | 11 | 11 | 708DFP5A |
| MSK-10K | 10 | 70 | 43 | 25 | 17 | 36 | 35 | 30 | 5.5 | 24 | 6 | M10×1.0 | 52 | 9 | 14 | 11 | 7000DFP5A |
| MSK-12K | 12 | 70 | 43 | 25 | 19 | 36 | 35 | 30 | 5.5 | 24 | 6 | M12×1.0 | 52 | 9 | 14 | 11 | 7001DFP5A |
| MSK-15K | 15 | 80 | 50 | 30 | 22 | 41 | 40 | 31 | 12 | 25 | 5 | M15×1.0 | 60 | 11 | 17 | 15 | 7002DFP5A |
| MSK-20K | 20 | - | - | - | - | - | - | - | - | - | - | - | - | - | - | - | 7204DFP5A |
| MSK-25K | 25 | - | - | - | - | - | - | - | - | - | - | - | - | - | - | - | 7205DFP5A |
| 型式 | 商品コード | 単位 |
価格 (円) |
基準納期 | |
|---|---|---|---|---|---|
| 日伝 | メーカー | ||||
| MSK-6K | MSK-6K | P | 14,100 | - | 20日間 |
| MSK-8K | MSK-8K | P | 14,100 | - | 20日間 |
| MSK-10K | MSK-10K | P | 14,300 | - | 20日間 |
| MSK-12K | MSK-12K | P | 14,400 | 在庫品 | - |
| MSK-15K | MSK-15K | P | 16,500 | 在庫品 | 20日間 |
| MSK-20K | MSK-20K | P | 19,000 | 在庫品 | 在庫品 |
| MSK-25K | MSK-25K | P | 29,100 | - | 20日間 |
製品についてのご質問やお困りごとなどお気軽にご相談ください!