A形
-
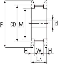
A形
-
B形
-
A形(アルミ製)
-
B形(アルミ製)
共通仕様
| プーリピッチ | 5.0mm |
|---|---|
| PLD | 0.480mm |
| 材質 | スチール製:鋼材 アルミ製:高力アルミニウム合金 |
三ツ星ベルト
A形
A形
B形
A形(アルミ製)
B形(アルミ製)
| プーリピッチ | 5.0mm |
|---|---|
| PLD | 0.480mm |
| 材質 | スチール製:鋼材 アルミ製:高力アルミニウム合金 |
165件の型式
| 型式 | 歯形 |
プーリ 形状 |
材質 | 歯数 |
プーリ幅 (mm) |
ピッチ径 P.D. (mm) |
外径 O.D. (mm) |
LA (mm) |
LB (mm) |
W (mm) |
H (mm) |
K (mm) |
D (mm) |
軸穴径d(mm) |
概略 質量 (kg) |
適用フランジ | ||||
|---|---|---|---|---|---|---|---|---|---|---|---|---|---|---|---|---|---|---|---|---|
| min | max | 型式 | 厚みt(mm) | 外径D(mm) | 内径P(mm) | |||||||||||||||
| P15S5M0100A | S5M | A形 | 鋼材 | 15 | 10 | 23.87 | 22.91 | 16 | - | 11 | 2.5 | - | - | 7 | 8 | 0.044 | F-102818 | 1 | 28 | 18 |
| P16S5M0100A | S5M | A形 | 鋼材 | 16 | 10 | 25.46 | 24.50 | 16 | - | 11 | 2.5 | - | - | 7 | 10 | 0.052 | F-103120 | 1 | 31 | 20 |
| P18S5M0100A | S5M | A形 | 鋼材 | 18 | 10 | 28.65 | 27.69 | 16 | - | 11 | 2.5 | - | - | 7 | 12 | 0.066 | F-103322 | 1 | 33 | 22 |
| P20S5M0100A | S5M | A形 | 鋼材 | 20 | 10 | 31.83 | 30.87 | 16 | - | 11 | 2.5 | - | - | 7 | 12 | 0.079 | F-103522 | 1 | 35 | 22 |
| P22S5M0100A | S5M | A形 | 鋼材 | 22 | 10 | 35.01 | 34.05 | 16 | - | 11 | 2.5 | - | - | 7 | 18 | 0.101 | F-104028 | 1 | 40 | 28 |
| P24S5M0100A | S5M | A形 | 鋼材 | 24 | 10 | 38.20 | 37.24 | 16 | - | 11 | 2.5 | - | - | 7 | 21 | 0.125 | F-104432 | 1 | 44 | 32 |
| P25S5M0100A | S5M | A形 | 鋼材 | 25 | 10 | 39.79 | 38.83 | 16 | - | 11 | 2.5 | - | - | 7 | 21 | 0.132 | F-104432 | 1 | 44 | 32 |
| P26S5M0100A | S5M | A形 | 鋼材 | 26 | 10 | 41.38 | 40.42 | 16 | - | 11 | 2.5 | - | - | 8 | 22 | 0.144 | F-104734 | 1 | 47 | 34 |
| P28S5M0100A | S5M | A形 | 鋼材 | 28 | 10 | 44.56 | 43.60 | 16 | - | 11 | 2.5 | - | - | 8 | 24 | 1.065 | F-104836 | 1 | 48 | 36 |
| P30S5M0100A | S5M | A形 | 鋼材 | 30 | 10 | 47.75 | 46.79 | 16 | - | 11 | 2.5 | - | - | 10 | 24 | 0.193 | F-165136 | 1.6 | 51 | 36 |
| 型式 | 商品コード | 単位 |
価格 (円) |
基準納期 | |
|---|---|---|---|---|---|
| 日伝 | メーカー | ||||
| P15S5M0100A | 15S5M100A | P | 2,490 | - | - |
| P16S5M0100A | 16S5M100A | P | 2,550 | - | - |
| P18S5M0100A | 18S5M100A | P | 2,770 | - | - |
| P20S5M0100A | 20S5M100A | P | 2,980 | 在庫品 | - |
| P22S5M0100A | 22S5M100A | P | 3,180 | 在庫品 | - |
| P24S5M0100A | 24S5M100A | P | 3,360 | 在庫品 | - |
| P25S5M0100A | 25S5M100A | P | 3,470 | 在庫品 | - |
| P26S5M0100A | 26S5M100A | P | 3,540 | - | - |
| P28S5M0100A | 28S5M100A | P | 3,750 | - | - |
| P30S5M0100A | 30S5M100A | P | 3,960 | 在庫品 | - |
製品についてのご質問やお困りごとなどお気軽にご相談ください!