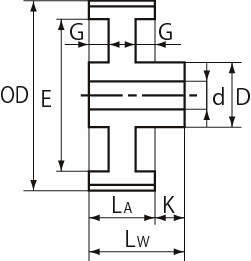
A形
-
A形
-
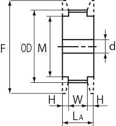
B形
-
W形
・標準プーリはバックラッシュレスで、位置決め精度が向上します。
・従来のISO JISの歯形に比べ、高トルク伝達が可能です。
共通仕様
| プーリピッチ | 8.0mm |
|---|---|
| PLD | 0.686mm |
| 材質 | 歯数 60以下:鋼材 歯数72以上:鋳物 |
三ツ星ベルト
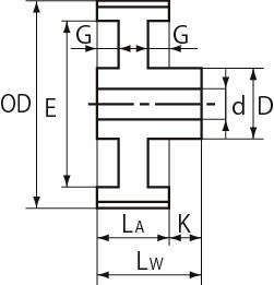
A形
A形
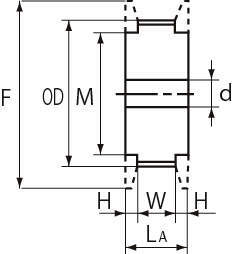
B形
W形
・標準プーリはバックラッシュレスで、位置決め精度が向上します。
・従来のISO JISの歯形に比べ、高トルク伝達が可能です。
| プーリピッチ | 8.0mm |
|---|---|
| PLD | 0.686mm |
| 材質 | 歯数 60以下:鋼材 歯数72以上:鋳物 |
176件の型式
| 型式 | 歯形 |
プーリ 形状 |
材質 | 歯数 |
プーリ幅 (mm) |
ピッチ径 P.D. (mm) |
外径 O.D. (mm) |
LA (mm) |
LB (mm) |
LW (mm) |
W (mm) |
H (mm) |
K (mm) |
D (mm) |
E (mm) |
G (mm) |
軸穴径d(mm) |
概略 質量 (kg) |
適用フランジ | ||||
|---|---|---|---|---|---|---|---|---|---|---|---|---|---|---|---|---|---|---|---|---|---|---|---|
| min | max | 型式 | 厚みt(mm) | 外径D(mm) | 内径P(mm) | ||||||||||||||||||
| P18S8M0150A | S8M | A形 | 鋼材 | 18 | 15 | 45.84 | 44.46 | 24 | - | - | 17 | 3.5 | - | - | - | - | 12 | 20 | 0.23 | F-235436 | 2.3 | 54 | 36 |
| P19S8M0150A | S8M | A形 | 鋼材 | 19 | 15 | 48.38 | 47.01 | 24 | - | - | 17 | 3.5 | - | - | - | - | 12 | 22 | 0.26 | F-235739 | 2.3 | 57 | 39 |
| P20S8M0150A | S8M | A形 | 鋼材 | 20 | 15 | 50.93 | 49.56 | 24 | - | - | 17 | 3.5 | - | - | - | - | 12 | 22 | 0.29 | F-236040 | 2.3 | 60 | 40 |
| P21S8M0150A | S8M | A形 | 鋼材 | 21 | 15 | 53.48 | 52.10 | 24 | - | - | 17 | 3.5 | - | - | - | - | 12 | 24 | 0.33 | F-236244 | 2.3 | 62 | 44 |
| P22S8M0150A | S8M | A形 | 鋼材 | 22 | 15 | 56.02 | 54.65 | 24 | - | - | 17 | 3.5 | - | - | - | - | 12 | 25 | 0.37 | F-236545 | 2.3 | 65 | 45 |
| P24S8M0150A | S8M | A形 | 鋼材 | 24 | 15 | 61.12 | 59.74 | 24 | - | - | 17 | 3.5 | - | - | - | - | 12 | 28 | 0.45 | F-237050 | 2.3 | 70 | 50 |
| P25S8M0150A | S8M | A形 | 鋼材 | 25 | 15 | 63.66 | 62.29 | 24 | - | - | 17 | 3.5 | - | - | - | - | 16 | 29 | 0.49 | F-237252 | 2.3 | 72 | 52 |
| P26S8M0150A | S8M | A形 | 鋼材 | 26 | 15 | 66.21 | 64.84 | 24 | - | - | 17 | 3.5 | - | - | - | - | 16 | 30 | 0.52 | F-237555 | 2.3 | 75 | 55 |
| P28S8M0150A | S8M | A形 | 鋼材 | 28 | 15 | 71.30 | 69.93 | 24 | - | - | 17 | 3.5 | - | - | - | - | 16 | 34 | 0.61 | F-238060 | 2.3 | 80 | 60 |
| P30S8M0150A | S8M | A形 | 鋼材 | 30 | 15 | 76.39 | 75.02 | 24 | - | - | 17 | 3.5 | - | - | - | - | 16 | 36 | 0.72 | F-238565 | 2.3 | 85 | 65 |
| 型式 | 商品コード | 単位 |
価格 (円) |
基準納期 | |
|---|---|---|---|---|---|
| 日伝 | メーカー | ||||
| P18S8M0150A | 18S8M150A | P | 6,410 | 在庫品 | - |
| P19S8M0150A | 19S8M150A | P | 6,630 | - | - |
| P20S8M0150A | 20S8M150A | P | 6,630 | 在庫品 | - |
| P21S8M0150A | 21S8M150A | P | 6,810 | - | - |
| P22S8M0150A | 22S8M150A | P | 6,810 | 在庫品 | - |
| P24S8M0150A | 24S8M150A | P | 7,110 | 在庫品 | - |
| P25S8M0150A | 25S8M150A | P | 7,350 | 在庫品 | - |
| P26S8M0150A | 26S8M150A | P | 7,570 | 在庫品 | - |
| P28S8M0150A | 28S8M150A | P | 8,020 | 在庫品 | - |
| P30S8M0150A | 30S8M150A | P | 8,330 | 在庫品 | - |
製品についてのご質問やお困りごとなどお気軽にご相談ください!