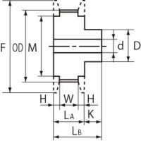
A形
-
A形
-
B形
-
W形
共通仕様
| ピッチ | 12.700mm |
|---|---|
| 材質 | 歯数 40以下:鋼材 歯数 44以上:鋳物 |
| 付属品 | A形・B形:フランジ |
三ツ星ベルト
A形
A形
B形
W形
| ピッチ | 12.700mm |
|---|---|
| 材質 | 歯数 40以下:鋼材 歯数 44以上:鋳物 |
| 付属品 | A形・B形:フランジ |
99件の型式
| 型式 | 歯形 |
プーリ 形状 |
材質 | 歯数 |
プーリ 呼び幅 |
プーリ幅 (mm) |
ピッチ径 P.D. (mm) |
外径 O.D. (mm) |
LA (mm) |
LB (mm) |
LW (mm) |
W (mm) |
H (mm) |
K (mm) |
D (mm) |
E (mm) |
G (mm) |
軸穴径d(mm) |
概略 質量 (kg) |
適用フランジ | ||||
|---|---|---|---|---|---|---|---|---|---|---|---|---|---|---|---|---|---|---|---|---|---|---|---|---|
| min | max | 型式 | 厚みt(mm) | 外径D(mm) | 内径P(mm) | |||||||||||||||||||
| P14H100A | H | A形 | 鋼材 | 14 | 100 | 25.4 | 56.60 | 55.22 | 33 | - | - | 28 | 2.5 | - | - | - | - | 14 | 26 | 0.51 | F-166141 | 1.6 | 61 | 41 |
| P15H100A | H | A形 | 鋼材 | 15 | 100 | 25.4 | 60.64 | 59.27 | 33 | - | - | 28 | 2.5 | - | - | - | - | 16 | 30 | 0.59 | F-166550 | 1.6 | 65 | 50 |
| P16H100A | H | A形 | 鋼材 | 16 | 100 | 25.4 | 64.68 | 63.31 | 33 | - | - | 28 | 2.5 | - | - | - | - | 16 | 30 | 0.68 | F-166950 | 1.6 | 69 | 50 |
| P18H100A | H | A形 | 鋼材 | 18 | 100 | 25.4 | 72.77 | 71.39 | 33 | - | - | 28 | 2.5 | - | - | - | - | 16 | 36 | 0.89 | F-167858 | 1.6 | 78 | 58 |
| P19H100A | H | A形 | 鋼材 | 19 | 100 | 25.4 | 76.81 | 75.44 | 33 | - | - | 28 | 2.5 | - | - | - | - | 16 | 36 | 1.01 | F-168363 | 1.6 | 83 | 63 |
| P20H100A | H | A形 | 鋼材 | 20 | 100 | 25.4 | 80.85 | 79.48 | 33 | - | - | 28 | 2.5 | - | - | - | - | 16 | 38 | 1.13 | F-168666 | 1.6 | 86 | 66 |
| P21H100A | H | A形 | 鋼材 | 21 | 100 | 25.4 | 84.89 | 83.52 | 33 | - | - | 28 | 2.5 | - | - | - | - | 16 | 38 | 1.26 | F-169073 | 1.6 | 90 | 73 |
| P22H100A | H | A形 | 鋼材 | 22 | 100 | 25.4 | 88.94 | 87.56 | 33 | - | - | 28 | 2.5 | - | - | - | - | 16 | 38 | 1.39 | F-169375 | 1.6 | 93 | 75 |
| P24H100A | H | A形 | 鋼材 | 24 | 100 | 25.4 | 97.02 | 95.65 | 33 | - | - | 28 | 2.5 | - | - | - | - | 20 | 38 | 1.65 | F-1610584 | 1.6 | 105 | 84 |
| P25H100A | H | A形 | 鋼材 | 25 | 100 | 25.4 | 101.06 | 99.69 | 33 | - | - | 28 | 2.5 | - | - | - | - | 20 | 40 | 1.81 | F-1610884 | 1.6 | 108 | 84 |
| 型式 | 商品コード | 単位 |
価格 (円) |
基準納期 | |
|---|---|---|---|---|---|
| 日伝 | メーカー | ||||
| P14H100A | 14H100A | P | 3,750 | 在庫品 | - |
| P15H100A | 15H100A | P | 3,960 | - | - |
| P16H100A | 16H100A | P | 4,350 | 在庫品 | - |
| P18H100A | 18H100A | P | 4,730 | 在庫品 | - |
| P19H100A | 19H100A | P | 5,120 | - | - |
| P20H100A | 20H100A | P | 5,340 | 在庫品 | - |
| P21H100A | 21H100A | P | 5,750 | - | - |
| P22H100A | 22H100A | P | 6,050 | 在庫品 | - |
| P24H100A | 24H100A | P | 7,330 | 在庫品 | - |
| P25H100A | 25H100A | P | 7,810 | 在庫品 | - |
製品についてのご質問やお困りごとなどお気軽にご相談ください!