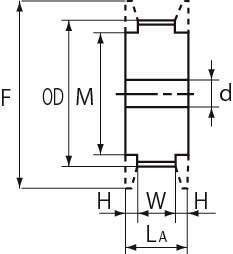
A形
-
A形
-
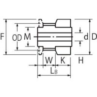
B形
-
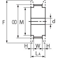
C形
-
W形
共通仕様
| ピッチ | 5.0mm |
|---|---|
| 材質 | 歯数 30以下:焼結金属 歯数 32以上:鋼材 |
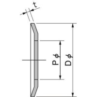
| 付属品 | A形・B形・C形:フランジ |
三ツ星ベルト
A形
A形
B形
C形
W形
| ピッチ | 5.0mm |
|---|---|
| 材質 | 歯数 30以下:焼結金属 歯数 32以上:鋼材 |
| 付属品 | A形・B形・C形:フランジ |
19件の型式
| 型式 | 歯形 |
プーリ 形状 |
材質 | 歯数 |
プーリ幅 (mm) |
ピッチ径 P.D. (mm) |
外径 O.D. (mm) |
LA (mm) |
LB (mm) |
LW (mm) |
W (mm) |
H (mm) |
K (mm) |
D (mm) |
E (mm) |
G (mm) |
軸穴径d(mm) |
概略 質量 (kg) |
適用フランジ | ||||
|---|---|---|---|---|---|---|---|---|---|---|---|---|---|---|---|---|---|---|---|---|---|---|---|
| min | max | 型式 | 厚みt(mm) | 外径D(mm) | 内径P(mm) | ||||||||||||||||||
| PT5-10-12C | T5 | C形 | 焼結合金 | 12 | 10 | 19.10 | 18.25 | - | 23 | - | 11 | 2 | 10 | 23 | - | - | 5 | 8 | 0.04 | F-102312 | 1 | 23 | 12 |
| PT5-10-14C | T5 | C形 | 焼結合金 | 14 | 10 | 22.28 | 21.45 | - | 23 | - | 11 | 2 | 10 | 26 | - | - | 6 | 10 | 0.06 | F-102616 | 1 | 26 | 16 |
| PT5-10-15C | T5 | C形 | 焼結合金 | 15 | 10 | 23.87 | 23.05 | - | 23 | - | 11 | 2 | 10 | 28 | - | - | 6 | 14 | 0.07 | F-102818 | 1 | 28 | 18 |
| PT5-10-16B | T5 | B形 | 焼結合金 | 16 | 10 | 25.46 | 24.60 | 15 | 23 | - | 11 | 2 | 8 | 16 | - | - | 6 | 9 | 0.05 | F-102818 | 1 | 28 | 18 |
| PT5-10-18B | T5 | B形 | 焼結合金 | 18 | 10 | 28.65 | 27.80 | 15 | 23 | - | 11 | 2 | 8 | 18 | - | - | 6 | 10 | 0.06 | F-103120 | 1 | 31 | 20 |
| PT5-10-20B | T5 | B形 | 焼結合金 | 20 | 10 | 31.83 | 31.00 | 15 | 23 | - | 11 | 2 | 8 | 19 | - | - | 6 | 11 | 0.08 | F-103522 | 1 | 35 | 22 |
| PT5-10-22B | T5 | B形 | 焼結合金 | 22 | 10 | 35.01 | 34.25 | 15 | 23 | - | 11 | 2 | 8 | 25 | - | - | 8 | 15 | 0.1 | F-104028 | 1 | 40 | 28 |
| PT5-10-24B | T5 | B形 | 焼結合金 | 24 | 10 | 38.20 | 37.40 | 15 | 23 | - | 11 | 2 | 8 | 25 | - | - | 8 | 15 | 0.12 | F-104328 | 1 | 43 | 28 |
| PT5-10-25B | T5 | B形 | 焼結合金 | 25 | 10 | 39.79 | 39.00 | 15 | 23 | - | 11 | 2 | 8 | 25 | - | - | 8 | 15 | 0.13 | F-104328 | 1 | 43 | 28 |
| PT5-10-32B | T5 | B形 | 鋼材 | 32 | 10 | 50.93 | 50.10 | 15 | 25 | - | 11 | 2 | 10 | 30 | - | - | 10 | 20 | 0.25 | F-105441 | 1 | 54 | 41 |
| 型式 | 商品コード | 単位 |
価格 (円) |
基準納期 | |
|---|---|---|---|---|---|
| 日伝 | メーカー | ||||
| PT5-10-12C | T5-10-12C | P | 1,660 | 在庫品 | - |
| PT5-10-14C | T5-10-14C | P | 1,980 | 在庫品 | - |
| PT5-10-15C | T5-10-15C | P | 2,080 | 在庫品 | - |
| PT5-10-16B | T5-10-16B | P | 2,190 | 在庫品 | - |
| PT5-10-18B | T5-10-18B | P | 2,210 | 在庫品 | - |
| PT5-10-20B | T5-10-20B | P | 2,260 | 在庫品 | - |
| PT5-10-22B | T5-10-22B | P | 2,390 | 在庫品 | - |
| PT5-10-24B | T5-10-24B | P | 2,490 | 在庫品 | - |
| PT5-10-25B | T5-10-25B | P | 2,700 | 在庫品 | - |
| PT5-10-32B | T5-10-32B | P | 4,720 | - | - |
製品についてのご質問やお困りごとなどお気軽にご相談ください!