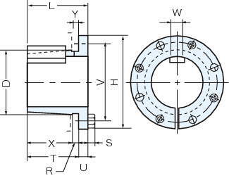
■マックスターウェッジプーリ
・マックスターウェッジベルトをより効果的にご使用いただくために、ブッシングシステムを採用してプーリの標準化を行ないました。
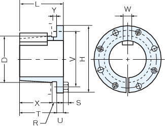
・ボルトの締めつけで軸への取りつけ取りはずしが簡単にできます。
■軸への取りつけ、取りはずしが簡単
・ボルトの締めつけで簡単にプーリの軸への取りつけができます。
・取りはずしも簡単に行なえ、工数の低減が図れます。
■軸および軸穴への損傷がありません
・軸に取り付けるときはスムーズに入り、締めつけボルトを締めることにより、テーパを利用して強固に締まるので、使用中の嵌合部分での微動摩耗がなく、軸の寿命がのびます。
■軸穴加工が不要です
・ブッシングに標準軸径に見合った軸穴、およびキー溝の加工を行なっていますので、使用時の加工は不要です。
・軸穴加工工数、加工精度検査、加工のための輸送などの手間が省け、工数低減、納期短縮に役立ちます
■回転体の心出しが簡単
・軸におけるプーリなど回転体の位置変更がスムーズで、心出しが簡単に行えます。
■プーリなどの重量軽減が図れます
・軸穴と比較して、ボス幅が小さく設計できますので、プーリ重量の軽減ができます。
・鋳造の場合もボス部の肉厚の減少により材質の均一化が図れます。
共通仕様
| キー寸法 | 新JIS規格(旧JIS規格品は受注生産) |
|---|

