MH
-
MH
-
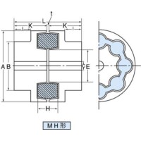
MH形
■三ツ星ハイパーフレックスカップリングMH形は、弾性ゴムせん断応力を利用した動力を伝達する特殊タイプです。
■フレキシビリティが大きく、衝撃緩和性能がすぐれています。
■取付けが簡単でメンテナンスが不要です。
共通仕様
| フランジ材質 | ねずみ鋳鉄(FC-200) |
|---|---|
| 弾性体材質 | スタンダード形:合成ゴム スーパー形:合成ゴム(補強用鉄芯入り) |

