A形
-
A形
-
B形
-
W形
共通仕様
| ピッチ | 10.0mm |
|---|---|
| 材質 | 鋼材 |
| 付属品 | A形・B形:フランジ |
三ツ星ベルト
68件の型式
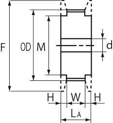
| 型式 | 歯形 |
プーリ 形状 |
材質 | 歯数 |
プーリ幅 (mm) |
ピッチ径 P.D. (mm) |
外径 O.D. (mm) |
LA (mm) |
LB (mm) |
LW (mm) |
W (mm) |
H (mm) |
K (mm) |
D (mm) |
E (mm) |
G (mm) |
軸穴径d(mm) |
概略 質量 (kg) |
適用フランジ | ||||
|---|---|---|---|---|---|---|---|---|---|---|---|---|---|---|---|---|---|---|---|---|---|---|---|
| min | max | 型式 | 厚みt(mm) | 外径D(mm) | 内径P(mm) | ||||||||||||||||||
| PT10-15-12A | T10 | A形 | 鋼材 | 12 | 15 | 38.20 | 36.35 | 22 | - | - | 17 | 2.5 | - | - | - | - | 8 | 15 | 0.14 | F-104328 | 1 | 43 | 28 |
| PT10-15-14A | T10 | A形 | 鋼材 | 14 | 15 | 44.56 | 42.70 | 22 | - | - | 17 | 2.5 | - | - | - | - | 10 | 20 | 0.2 | F-104734 | 1 | 47 | 34 |
| PT10-15-15A | T10 | A形 | 鋼材 | 15 | 15 | 47.75 | 45.90 | 22 | - | - | 17 | 2.5 | - | - | - | - | 10 | 22 | 0.24 | F-165136 | 1.6 | 51 | 36 |
| PT10-15-16A | T10 | A形 | 鋼材 | 16 | 15 | 50.93 | 49.05 | 22 | - | - | 17 | 2.5 | - | - | - | - | 10 | 24 | 0.27 | F-165741 | 1.6 | 57 | 41 |
| PT10-15-18A | T10 | A形 | 鋼材 | 18 | 15 | 57.30 | 55.45 | 22 | - | - | 17 | 2.5 | - | - | - | - | 12 | 26 | 0.35 | F-166141 | 1.6 | 61 | 41 |
| PT10-15-20A | T10 | A形 | 鋼材 | 20 | 15 | 63.66 | 61.80 | 22 | - | - | 17 | 2.5 | - | - | - | - | 12 | 28 | 0.44 | F-166950 | 1.6 | 69 | 50 |
| PT10-15-22A | T10 | A形 | 鋼材 | 22 | 15 | 70.03 | 68.15 | 22 | - | - | 17 | 2.5 | - | - | - | - | 12 | 28 | 0.55 | F-167453 | 1.6 | 74 | 53 |
| PT10-15-24A | T10 | A形 | 鋼材 | 24 | 15 | 76.39 | 74.55 | 22 | - | - | 17 | 2.5 | - | - | - | - | 12 | 28 | 0.67 | F-168363 | 1.6 | 83 | 63 |
| PT10-15-25A | T10 | A形 | 鋼材 | 25 | 15 | 79.58 | 77.70 | 22 | - | - | 17 | 2.5 | - | - | - | - | 12 | 28 | 0.73 | F-168666 | 1.6 | 86 | 66 |
| PT10-15-26A | T10 | A形 | 鋼材 | 26 | 15 | 82.76 | 80.90 | 22 | - | - | 17 | 2.5 | - | - | - | - | 12 | 30 | 0.79 | F-168666 | 1.6 | 86 | 66 |
| 型式 | 商品コード | 単位 |
価格 (円) |
基準納期 | |
|---|---|---|---|---|---|
| 日伝 | メーカー | ||||
| PT10-15-12A | T10-15-12A | P | 2,590 | - | - |
| PT10-15-14A | T10-15-14A | P | 2,870 | 在庫品 | - |
| PT10-15-15A | T10-15-15A | P | 3,110 | - | - |
| PT10-15-16A | T10-15-16A | P | 3,370 | - | - |
| PT10-15-18A | T10-15-18A | P | 3,630 | - | - |
| PT10-15-20A | T10-15-20A | P | 3,760 | - | - |
| PT10-15-22A | T10-15-22A | P | 3,910 | - | - |
| PT10-15-24A | T10-15-24A | P | 4,380 | - | - |
| PT10-15-25A | T10-15-25A | P | 4,630 | - | - |
| PT10-15-26A | T10-15-26A | P | 4,940 | - | - |
製品についてのご質問やお困りごとなどお気軽にご相談ください!