ノーメックス Eタイプ
-
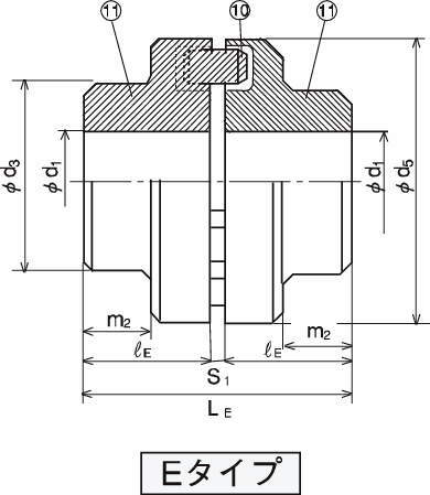
ノーメックス Eタイプ
・激しい正逆運転に耐え、くり返しの断続運転にも強い特殊形状の圧縮応力型です。
・同じ伝達トルクを得るのに小さなサイズですみ、モータ負荷などのエネルギーロスも省け、コストダウンが図れます。
・弾性体および、爪部がフランジ内部にあり、カップリング本体もコンパクト化されているため、高速回転の機械にも適しています。
・サイズ、種類が豊富で、用途、条件に応じて最適設計ができます。
・ゴム弾性体の使用により、衝撃の緩和、振動の吸収がよく、静かな運転ができ、機械装置の寿命を延ばします。また、注油の必要もありません。
共通仕様
| フランジ材質 | 鋳鉄 |
|---|---|
| 弾性体材質 | 合成ゴム |

