モノづくりの困ったを解決する総合サイト

Produced by

三ツ星ベルト

チャンカップリング ノーメックスシリーズ LGタイプ

ノーメックズ LGタイプ

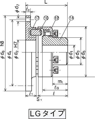
  • 構造

■チャンカップリング ノーメックスシリーズ
・三ツ星チャンカップリング、ノーメックスシリーズは、三ツ星ベルトとドイツのカップリングのトップメーカー、チャン(TSCHAN)社との技術提携により開発されたフレキシブルカップリングです。
・このカップリングは、チャン社の豊富な経験と永年の研究をもとに開発され、多くの世界特許(日・独・米・英・その他)をもっています。
・圧縮応力型で、大きな伝達トルクに耐える特殊形状の弾性体とフランジからなります。
・原動機の動力を直接伝達するとともに、原動機または従動機から発生する振動が他方に伝わるのを緩和し、機械の保護に役立つカップリングです。

■小型で伝達トルクが大きい省エネタイプ
・激しい正逆運転に耐え、くり返しの断続運転にも強い特殊形状の圧縮応力型です。
・同じ伝達トルクを得るのに小さなサイズですみ、モータ負荷などのエネルギーロスも省け、コストダウンが図れます。

■高速回転の機械に最適
・弾性体および爪部がフランジ内部にあり、カップリング本体もコンパクト化されているため、高速回転の機械にも適しています。

■コンパクト設計
・コンパクト設計のため、小さなスペースのところで使用でき、取付け場所を選びません。

■静かな運転を実現、しかもメンテナンスフリー
・ゴム弾性体の使用により、衝撃の緩和、振動の吸収がよく、静かな運転ができ、機械装置の寿命を延ばします。
・注油の必要もありません。

■サイズ、種類が豊富で、用途、条件に応じて最適設計ができます。

■機械の移動なしで弾性体の取替え、取付けが簡単にできます
・G仕様では外フランジをゆるめることにより、原動機・従動機を移動させることなく、簡単に、弾性体の取替え、取付けができます。
・機械を動かすロスや芯出し調整などのロスも省けます。

#カップリング

共通仕様

フランジ材質 鋳鉄
弾性体材質 合成ゴム

詳細仕様

  • 14件中 1-10件

  • 表示件数

14件の型式

型式 サイズ 常用トルク
TN
(N・m)
最大トルクMmax
(N・m)
最高回転数
(rpm)
軸穴径
d1
(mm)
d2
(mm)
d3
(mm)
d4
(mm)
d5
(mm)
d6
(mm)
d7
(mm)
爪の数 ボルト
サイズ
穴数 m1
(mm)
G
(mm)
l
(mm)
1
(mm)
l2
(mm)
L
(mm)
S1
(mm)
GD2(N・m2) 質量(kg)
最小 最大 部品(17) 部品(12+14) 部品(17) 全体
Nor-Mex LG82-120 82-120 49.0 88.3 8000 10 28 40 44.5 108 82 120 6.6 4 M 6 6 20 40 48.5 16 8 67.5 3±1 0.053 0.030 0.72 1.79
Nor-Mex LG97-144 97-144 103 186 7000 12 35 50 54.5 128 97 144 9 5 M 6 6 30.5 49 60 20 10 83 3±1 0.131 0.070 1.29 2.96
Nor-Mex LG112-158 112-158 164 294 6000 14 42 60 64.5 142 112 158 9 6 M 8 6 32.5 58 69.5 22 10 95 3.5±1 0.196 0.128 1.46 4.0
Nor-Mex LG128-180 128-180 262 471 5000 18 48 70 74.5 160 128 180 11 6 M 8 6 42 68 80 25 13 108.5 3.5±1 0.424 0.261 2.44 6.44
Nor-Mex LG148-200 148-200 409 735 4500 22 60 90 92.5 180 148 200 11 7 M10 7 47 78 92 28 13 123.5 3.5±1 0.610 0.535 3.0 9.2
Nor-Mex LG168-220 168-220 682 1230 4000 28 65 100 104.5 200 168 220 11 8 M10 8 52.5 87 104 34 13 141.5 3.5±1 1.083 1.011 4.0 13.2
Nor-Mex LG194-248 194-248 1100 1960 3500 32 75 115 121.5 224 194 248 14 9 M10 8 60 97 117 38 16 158.5 3.5±1 2.041 2.015 5.7 19.4
Nor-Mex LG214-274 214-274 1640 2940 3000 45 85 130 135.5 250 214 274 14 9 M12 8 66.5 107 129 42 16 175 4±1 3.281 3.324 8.0 25.8
Nor-Mex LG240-314 240-314 2620 4710 2750 60 95 145 146 282 240 314 18 10 M12 8 75.5 117 142 45 20 191 4±1 5.987 5.398 11.1 33.6
Nor-Mex LG265-344 265-344 4090 7350 2500 70 105 160 164 312 265 344 18 10 M14 8 88 137 164 50 20 219.5 5.5±1 9.758 9.494 15 47.2

型式 商品コード 単位 価格
(円)
基準納期
日伝 メーカー
Nor-Mex LG82-120 LG82-120 P 34,900 - -
Nor-Mex LG97-144 LG97-144 P 42,410 - -
Nor-Mex LG112-158 LG112-158 P 47,940 - -
Nor-Mex LG128-180 LG128-180 P 60,790 - -
Nor-Mex LG148-200 LG148-200 P 73,560 - -
Nor-Mex LG168-220 LG168-220 P 109,580 - 在庫品
Nor-Mex LG194-248 LG194-248 P 135,150 - 在庫品
Nor-Mex LG214-274 LG214-274 P 166,850 - 在庫品
Nor-Mex LG240-314 LG240-314 P 221,830 - 在庫品
Nor-Mex LG265-344 LG265-344 P 274,130 - 在庫品

関連製品

この製品を見た人はこのような製品も見ています

1952年設立で、動力伝導機器・産業機器・制御機器等の機械設備及び機械器具関連製品の販売をしている専門総合商社です。
日本国内で40以上の拠点を持ち、信頼性の高い製品と技術力で、全国のものづくりに携わる方々のあらゆるお困りごとを解決しています。

Loading...