モノづくりの困ったを解決する総合サイト

Produced by

三ツ星ベルト

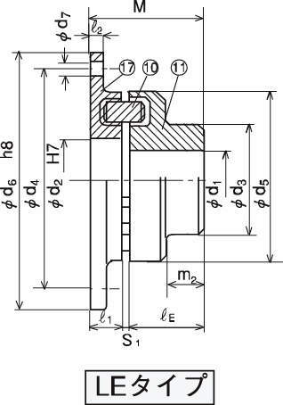
チャンカップリング ノーメックスシリーズ LEタイプ

ノーメックズ LGタイプ

・激しい正逆運転に耐え、くり返しの断続運転にも強い特殊形状の圧縮応力型です。
・同じ伝達トルクを得るのに小さなサイズですみ、モータ負荷などのエネルギーロスも省け、コストダウンが図れます。
・弾性体および、爪部がフランジ内部にあり、カップリング本体もコンパクト化されているため、高速回転の機械にも適しています。
・サイズ、種類が豊富で、用途、条件に応じて最適設計ができます。
・ゴム弾性体の使用により、衝撃の緩和、振動の吸収がよく、静かな運転ができ、機械装置の寿命を延ばします。また、注油の必要もありません。

#カップリング

共通仕様

フランジ材質 鋳鉄
弾性体材質 合資ゴム

詳細仕様

  • 15件中 1-10件

  • 表示件数

15件の型式

型式 サイズ 常用トルク
TN
(N・m)
最大トルク
Mmax
(N・m)
最高回転数
(rpm)
軸穴径
d1
(mm)
d2
(mm)
d3
(mm)
d4
(mm)
d5
(mm)
d6
(mm)
d7
(mm)
穴数 m2
(mm)
lE
(mm)
l1
(mm)
l2
(mm)
M
(mm)
S1
(mm)
GD2(N・m2) 質量(kg)
最小 最大 部品(11) 部品(17) 部品(17) 全体
Nor-Mex LE67-106 67-106 21.6 39.2 10000 9 28 30 46 94 67 106 6.6 6 15 30 15 8 47.5 2.5±0.5 0.009 0.030 0.5 0.95
Nor-Mex LE82-120 82-120 49.0 88.3 8000 10 32 40 53 108 82 120 6.6 6 24 40 16 8 59 3±1 0.023 0.053 0.72 1.58
Nor-Mex LE97-144 97-144 103 186 7000 12 42 50 69 128 97 144 9 6 30 50 20 10 73 3±1 0.053 0.131 1.29 2.89
Nor-Mex LE112-158 112-158 164 294 6000 14 48 60 79 142 112 158 9 6 38 60 22 10 85.5 3.5±1 0.101 0.196 1.46 3.81
Nor-Mex LE128-180 128-180 262 471 5000 18 55 70 90 160 128 180 11 6 45 70 25 13 98.5 3.5±1 0.221 0.424 2.44 6.34
Nor-Mex LE148-200 148-200 409 735 4500 22 65 90 107 180 148 200 11 7 52 80 28 13 111.5 3.5±1 0.372 0.610 3.0 8.7
Nor-Mex LE168-220 168-220 680 1230 4000 28 75 100 124 200 168 220 11 8 56 90 34 13 127.5 3.5±1 0.897 1.083 4.0 12.8
Nor-Mex LE194-248 194-248 1100 1960 3500 32 85 115 140 224 194 248 14 8 62 100 38 16 141.5 3.5±1 1.753 2.041 5.7 18.7
Nor-Mex LE214-274 214-274 1640 2940 3000 45 95 130 157 250 214 274 14 8 68 110 42 16 156 4±1 2.938 3.281 8.0 25.5
Nor-Mex LE240-314 240-314 2620 4710 2750 60 110 145 179 282 240 314 18 8 75 120 45 20 169 4±1 4.830 5.987 11.1 33.6

型式 商品コード 単位 価格
(円)
基準納期
日伝 メーカー
Nor-Mex LE67-106 LE67-106 P 25,360 - -
Nor-Mex LE82-120 LE82-120 P 28,260 - -
Nor-Mex LE97-144 LE97-144 P 33,840 - -
Nor-Mex LE112-158 LE112-158 P 39,740 - -
Nor-Mex LE128-180 LE128-180 P 49,540 - -
Nor-Mex LE148-200 LE148-200 P 59,480 - -
Nor-Mex LE168-220 LE168-220 P 83,590 - 在庫品
Nor-Mex LE194-248 LE194-248 P 105,660 - 在庫品
Nor-Mex LE214-274 LE214-274 P 141,170 - 在庫品
Nor-Mex LE240-314 LE240-314 P 192,700 - 在庫品

関連製品

この製品を見た人はこのような製品も見ています

1952年設立で、動力伝導機器・産業機器・制御機器等の機械設備及び機械器具関連製品の販売をしている専門総合商社です。
日本国内で40以上の拠点を持ち、信頼性の高い製品と技術力で、全国のものづくりに携わる方々のあらゆるお困りごとを解決しています。

Loading...