ノーメックズ LGタイプ
■チャンカップリング ノーメックスシリーズ
・三ツ星チャンカップリング、ノーメックスシリーズは、三ツ星ベルトとドイツのカップリングのトップメーカー、チャン(TSCHAN)社との技術提携により開発されたフレキシブルカップリングです。
・このカップリングは、チャン社の豊富な経験と永年の研究をもとに開発され、多くの世界特許(日・独・米・英・その他)をもっています。
・圧縮応力型で、大きな伝達トルクに耐える特殊形状の弾性体とフランジからなります。
・原動機の動力を直接伝達するとともに、原動機または従動機から発生する振動が他方に伝わるのを緩和し、機械の保護に役立つカップリングです。
■小型で伝達トルクが大きい省エネタイプ
・激しい正逆運転に耐え、くり返しの断続運転にも強い特殊形状の圧縮応力型です。
・同じ伝達トルクを得るのに小さなサイズですみ、モータ負荷などのエネルギーロスも省け、コストダウンが図れます。
■高速回転の機械に最適
・弾性体および爪部がフランジ内部にあり、カップリング本体もコンパクト化されているため、高速回転の機械にも適しています。
■コンパクト設計
・コンパクト設計のため、小さなスペースのところで使用でき、取付け場所を選びません。
■静かな運転を実現、しかもメンテナンスフリー
・ゴム弾性体の使用により、衝撃の緩和、振動の吸収がよく、静かな運転ができ、機械装置の寿命を延ばします。
・注油の必要もありません。
■サイズ、種類が豊富で、用途、条件に応じて最適設計ができます。
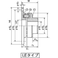
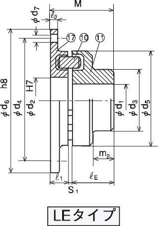
共通仕様
| フランジ材質 | 鋳鉄 |
|---|---|
| 弾性体材質 | 合資ゴム |

