モノづくりの困ったを解決する総合サイト

Produced by

三ツ星ベルト

チャンカップリング ノーメックスシリーズ FGタイプ

ノーメックス FGタイプ

  • 構造

・激しい正逆運転に耐え、くり返しの断続運転にも強い特殊形状の圧縮応力型です。
・同じ伝達トルクを得るのに小さなサイズですみ、モータ負荷などのエネルギーロスも省け、コストダウンが図れます。
・弾性体および、爪部がフランジ内部にあり、カップリング本体もコンパクト化されているため、高速回転の機械にも適しています。
・サイズ、種類が豊富で、用途、条件に応じて最適設計ができます。
・ゴム弾性体の使用により、衝撃の緩和、振動の吸収がよく、静かな運転ができ、機械装置の寿命を延ばします。また、注油の必要もありません。
・G仕様では、外フランジをゆるめることにより、原動機・従動機を移動させることなく、簡単に、弾性体の取替え、取付けができます。また、機械を動かすロスや心出し調整などのロスも省けます。

#カップリング

共通仕様

フランジ材質 鋳鉄
弾性体 合成ゴム

詳細仕様

  • 14件中 1-10件

  • 表示件数

14件の型式

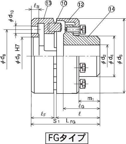
型式 サイズ 常用トルク
TN
(N・m)
最大トルク
Mmax
(N・m)
最高回転数
(rpm)
軸穴径
d2
(mm)
フランジ間隔
X
(mm)
偏差
Y
(mm)
偏角
α
(分)
d4
(mm)
d5
(mm)
d8
(mm)
d9
(mm)
d10
(mm)
爪の数 ボルト
サイズ
穴数 m1
(mm)
l3
(mm)
lF
(mm)
lG
(mm)
l
(mm)
LFG
(mm)
S1
(mm)
GD2(N・m2) 質量(kg)
最小 最大 部品(13) 部品(12+14) 部品(13) 全体
Nor-Mex FG82 82 49.0 88.3 8000 10 28 ±1.0 0.5 30 44.5 82 62 45 7 4 M 6 4 20 9.5 28.5 40 48.5 80 3±1 0.025 0.030 0.54 1.52
Nor-Mex FG97 97 103 186 7000 12 35 ±1.0 0.5 25 54.5 97 69 55 7 5 M 6 5 30.5 8 29.5 49 60 92.5 3±1 0.045 0.070 0.67 2.77
Nor-Mex FG112 112 164 294 6000 14 42 ±1.0 0.7 25 64.5 112 82 65 9 6 M 8 6 32.5 10 37 58 69.5 110 3.5±1 0.086 0.128 1.04 3.59
Nor-Mex FG128 128 262 471 5000 18 48 ±1.0 0.7 25 74.5 128 92 75 9 6 M 8 6 42 10 38 68 80 121.5 3.5±1 0.183 0.261 1.49 5.49
Nor-Mex FG148 148 409 735 4500 22 60 ±1.0 0.7 20 92.5 148 113 93 11 7 M10 7 47 12 45 78 92 140.5 3.5±1 0.334 0.535 1.95 8.15
Nor-Mex FG168 168 682 1230 4000 28 65 ±1.0 1.0 20 104.5 168 126 105 11 8 M10 8 52.5 14 51.5 87 104 159 3.5±1 0.644 1.011 4.55 13.75
Nor-Mex FG194 194 1100 1960 3500 32 75 ±1.0 1.0 20 121.5 194 144 122 11 9 M10 9 60 16 57 97 117 177.5 3.5±1 1.312 2.015 6.2 19.9
Nor-Mex FG214 214 1640 2940 3000 45 85 ±1.0 1.0 20 135.5 214 160 136 13 9 M12 9 66.5 16 62.5 107 129 195.5 4±1 2.153 3.324 6.37 24.2
Nor-Mex FG240 240 2620 4710 2750 60 95 ±1.0 1.0 20 146 240 175 147 13 10 M12 10 75.5 18 66.5 117 142 212.5 4±1 3.653 5.398 8.67 31.2
Nor-Mex FG265 265 4090 7350 2500 70 105 ±1.0 1.0 20 164 265 194 165 15 10 M14 10 88 20 76 137 164 245.5 5.5±1 6.288 9.494 12.2 44.4

型式 商品コード 単位 価格
(円)
基準納期
日伝 メーカー
Nor-Mex FG82 FG82 P 23,040 - -
Nor-Mex FG97 FG97 P 30,310 - -
Nor-Mex FG112 FG112 P 36,860 - -
Nor-Mex FG128 FG128 P 46,920 - -
Nor-Mex FG148 FG148 P 57,790 - -
Nor-Mex FG168 FG168 P 93,600 - 在庫品
Nor-Mex FG194 FG194 P 113,420 - 在庫品
Nor-Mex FG214 FG214 P 131,030 - 在庫品
Nor-Mex FG240 FG240 P 169,730 - 在庫品
Nor-Mex FG265 FG265 P 223,120 - 在庫品

関連製品

この製品を見た人はこのような製品も見ています

1952年設立で、動力伝導機器・産業機器・制御機器等の機械設備及び機械器具関連製品の販売をしている専門総合商社です。
日本国内で40以上の拠点を持ち、信頼性の高い製品と技術力で、全国のものづくりに携わる方々のあらゆるお困りごとを解決しています。

Loading...