SSXCシリーズ
-
SSXCシリーズ
-
SSXCシリーズ
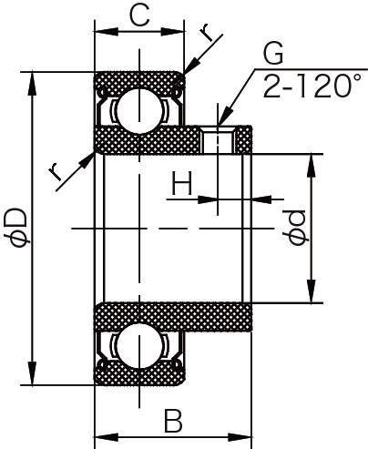
・止めねじによる締結のため、ベアリングの固定や位置決め用のセットカラーが不要となり、組み付けの作業性が向上します。
・止めねじによる確実な取り付けにより、シャフトと内径のクリープを防止。
・クリープによる摩耗粉の発生を解消します。クリーンルーム等の発塵をきらう環境に適しています。
・優れた耐食性。
共通仕様
| 材質 | 内外輪:SUS440C ボール:SUS440C 保持器:SUS304 シールド:SUS304 止めネジ:SUS304相当品 |
|---|---|
| 潤滑 | 耐熱グリース |

