・円周方向・偏心・偏角・エンドプレイの4方向において、あらゆるタイプの衝撃・振動およびミスアライメントを吸収するフレキシブルシャフトカップリングです。
・すきまばめの押しねじによる締結で充分。焼きばめ・圧入など困難な作業は不要です。
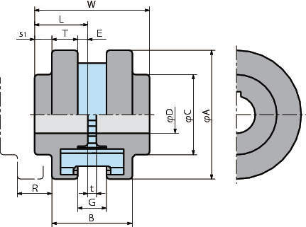
・フランジ2個とスリーブ1個のシンプルな構造。しかもコンパクト。
・装置全体の設計変更なしに、従来の軸継手に代えてそのまま適用できます。
・潤滑の必要がなく、スリーブは長寿命。メンテナンスフリー。
鍋屋バイテック会社
カップリング|シュアフレックスカップリング
詳細仕様
14件の型式
| 型式 | タイプ | 寸法(mm) | 軸穴径D(mm) | フランジ寸法(mm) | スリーブ寸法(mm) |
常用 トルク (N・m) |
最高 回転数 (min-1) |
慣性 モーメント (kg・m2) |
静的ねじり ばね定数 (N・m/rad) |
許容 |
質量 (kg) |
|||||||||||
|---|---|---|---|---|---|---|---|---|---|---|---|---|---|---|---|---|---|---|---|---|---|---|
| A | W | G | B | R | tmaxmax | 下穴 | 最大 | C | L | T | E | K | H | 偏心 (mm) | 偏角 (°) | |||||||
| 3S | セット | 53 | 52 | 10 | 30 | 16 | 10 | 6 | 19 | 37 | 21 | 10 | - | 48 | 25 | 6.9 | 9200 | 0.9×10^-4 | 26.4 | 0.25 | 1 | 0.26 |
| 4S | セット | 63 | 61 | 17 | 39 | 19 | 17 | 6 | 24 | 43 | 22 | 11 | - | 58 | 32 | 14 | 7600 | 0.2×10^-3 | 52.8 | 0.25 | 1 | 0.45 |
| 5S | セット | 83 | 71 | 19 | 49 | 25 | 3 | 10 | 28 | 61 | 34 | 15 | 8 | 75 | 40 | 28 | 7600 | 0.8×10^-3 | 106 | 0.38 | 1 | 1.04 |
| 6S | セット | 102 | 90 | 22 | 62 | 28 | 6 | 10 | 38 | 64 | 42 | 20 | 8 | 95 | 48 | 52 | 6000 | 2.6×10^-3 | 198 | 0.38 | 1 | 2.03 |
| 7S | セット | 117 | 102 | 26 | 66 | 33 | 8 | 13 | 42 | 71 | 47 | 20 | 9 | 111 | 56 | 84 | 5250 | 4.3×10^-3 | 319 | 0.51 | 1 | 2.73 |
| 8S | セット | 138 | 113 | 29 | 75 | 38 | 7 | 13 | 50 | 83 | 53 | 23 | 11 | 130 | 64 | 130 | 4500 | 9.3×10^-3 | 499 | 0.51 | 1 | 4.21 |
| 9S | セット | 161 | 129 | 37 | 89 | 45 | 7 | 15 | 55 | 92 | 61 | 26 | 15 | 152 | 76 | 210 | 3750 | 1.9×10^-2 | 792 | 0.64 | 1 | 6.60 |
| 3J | スリーブ単体 | - | - | - | - | - | - | - | - | - | - | - | - | 48 | 25 | - | - | - | - | - | - | - |
| 4J | スリーブ単体 | - | - | - | - | - | - | - | - | - | - | - | - | 58 | 32 | - | - | - | - | - | - | - |
| 5J | スリーブ単体 | - | - | - | - | - | - | - | - | - | - | - | - | 75 | 40 | - | - | - | - | - | - | - |
| 型式 | 商品コード | 単位 |
価格 (円) |
基準納期 | |
|---|---|---|---|---|---|
| 日伝 | メーカー | ||||
| 3S | 3S | S | 2,890 | - | 在庫品 |
| 4S | 4S | S | 3,910 | 在庫品 | 在庫品 |
| 5S | 5S | S | 6,290 | 在庫品 | 在庫品 |
| 6S | 6S | S | 9,460 | 在庫品 | 在庫品 |
| 7S | 7S | S | 11,900 | - | 在庫品 |
| 8S | 8S | S | 17,600 | - | 在庫品 |
| 9S | 9S | S | 24,700 | - | 在庫品 |
| 3J | 3J | P | 590 | - | 在庫品 |
| 4J | 4J | P | 690 | - | 在庫品 |
| 5J | 5J | P | 1,260 | 在庫品 | 在庫品 |
製品についてのご質問やお困りごとなどお気軽にご相談ください!
Loading...

