MST
-
MST
-
MST-K
-
MST-C
-
MSTS
-
MSTS-K
-
MSTS-C
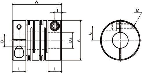
・円筒材にスリットを入れた完全一体構造の金属ばねカップリングです。
・スリットで形成された板ばねが、偏心・偏角・エンドプレイを許容します。
・アルミニウム合金製・ステンレス製の2種類があります。
・外径φ8~φ63のワイドバリエーション。
・バックラッシュ0
共通仕様
| 材質(本体) | MST:A2017、アルマイト処理 MSTS:SUS303 |
|---|---|
| 材質(六角穴付き止めねじ) | MST:SCM435、四三酸化鉄皮膜(黒) MSTS:SUSXM7 |
| 材質(六角穴付きボルト) | MST:SCM435、四三酸化鉄皮膜(黒) MSTS:SUSXM7 |

