モノづくりの困ったを解決する総合サイト

Produced by

鍋屋バイテック会社

カップリング|カプリコン(高減衰能ゴムタイプ) XGT2・XGL2・XGS2シリーズ

・XGT・XGL・XGSを超える高減衰能フレキシブルカップリング。両側のアルミニウムハブを高減衰能ゴムで成型した、完全一体構造です。
・減衰と剛性の最適設定により、さらなるサーボモータ高ゲイン化を実現し、整定時間を短縮します。
・ステッピングモータ駆動時の速度ムラ抑制に効果があります。
・位置決め時の残留振動を抑制し、生産性向上・品質向上に貢献します。
・耐熱性・耐油性・耐薬品性に優れています。
・スタンダードタイプXGT2・ロングタイプXGL2・ショートタイプXGS2を標準化。

・バックラッシュ0
・高ゲイン対応
・高トルク
・振動吸収

#カップリング

共通仕様

材質(ハブ) A2017
材質(六角穴付きボルト) SCM435、四三酸化鉄皮膜(黒)
材質(高減衰能ゴム) FKM

詳細仕様

  • 305件中 1-10件

  • 表示件数

305件の型式

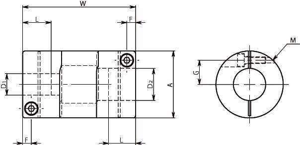
型式 形状 タイプ サイズ 寸法(mm) ねじ締めつけ
トルク
(N・m)
標準軸穴径
D1×D2
(mm)
常用
トルク
(N・m)
スリップ
トルク
(N・m)
最高回転数
(min-1)
慣性
モーメント
(kg・cm2)
静的ねじり
ばね定数
(N・m/rad)
許容
偏心
(mm)
許容
偏角
(°)
許容
エンドプレイ
(mm)
質量
(g)
A L W F G M
XGT2-15C-3×5 標準タイプ クランピング XGT2-15C 15 6.5 23 2.15 5 M1.6 0.25 3×5 1.1 1 42000 2.6×10^-7 110 0.15 1.5 ±0.2 9
XGT2-15C-3×6 標準タイプ クランピング XGT2-15C 15 6.5 23 2.15 5 M1.6 0.25 3×6 1.1 1 42000 2.6×10^-7 110 0.15 1.5 ±0.2 9
XGT2-15C-4×4 標準タイプ クランピング XGT2-15C 15 6.5 23 2.15 5 M1.6 0.25 4×4 1.1 - 42000 2.6×10^-7 110 0.15 1.5 ±0.2 9
XGT2-15C-4×5 標準タイプ クランピング XGT2-15C 15 6.5 23 2.15 5 M1.6 0.25 4×5 1.1 - 42000 2.6×10^-7 110 0.15 1.5 ±0.2 9
XGT2-15C-4×6 標準タイプ クランピング XGT2-15C 15 6.5 23 2.15 5 M1.6 0.25 4×6 1.1 - 42000 2.6×10^-7 110 0.15 1.5 ±0.2 9
XGT2-15C-4.5×5 標準タイプ クランピング XGT2-15C 15 6.5 23 2.15 5 M1.6 0.25 4.5×5 1.1 - 42000 2.6×10^-7 110 0.15 1.5 ±0.2 9
XGT2-15C-5×5 標準タイプ クランピング XGT2-15C 15 6.5 23 2.15 5 M1.6 0.25 5×5 1.1 - 42000 2.6×10^-7 110 0.15 1.5 ±0.2 9
XGT2-15C-5×6 標準タイプ クランピング XGT2-15C 15 6.5 23 2.15 5 M1.6 0.25 5×6 1.1 - 42000 2.6×10^-7 110 0.15 1.5 ±0.2 9
XGT2-15C-6×6 標準タイプ クランピング XGT2-15C 15 6.5 23 2.15 5 M1.6 0.25 6×6 1.1 - 42000 2.6×10^-7 110 0.15 1.5 ±0.2 9
XGT2-19C-4×5 標準タイプ クランピング XGT2-19C 19 7.7 26 2.65 6.5 M2 0.5 4×5 2.1 - 33000 7.6×10^-7 240 0.15 1.5 ±0.2 15

・スリップトルクは、軸のスリップトルクが、常用トルクよりも小さい場合のみ記載しています。

型式 商品コード 単位 価格
(円)
基準納期
日伝 メーカー
XGT2-15C-3×5 XGT2-15C-3-5 P 5,130 - 在庫品
XGT2-15C-3×6 XGT2-15C-3-6 P 5,130 - 在庫品
XGT2-15C-4×4 XGT2-15C-4-4 P 5,130 - 在庫品
XGT2-15C-4×5 XGT2-15C-4-5 P 5,130 - 在庫品
XGT2-15C-4×6 XGT2-15C-4-6 P 5,130 - 在庫品
XGT2-15C-4.5×5 XGT2-15C-4.5-5 P 5,130 - 在庫品
XGT2-15C-5×5 XGT2-15C-5-5 P 5,130 - 在庫品
XGT2-15C-5×6 XGT2-15C-5-6 P 5,130 - 在庫品
XGT2-15C-6×6 XGT2-15C-6-6 P 5,130 - 在庫品
XGT2-19C-4×5 XGT2-19C-4-5 P 4,900 - 在庫品

この製品を見た人はこのような製品も見ています

1952年設立で、動力伝導機器・産業機器・制御機器等の機械設備及び機械器具関連製品の販売をしている専門総合商社です。
日本国内で40以上の拠点を持ち、信頼性の高い製品と技術力で、全国のものづくりに携わる方々のあらゆるお困りごとを解決しています。

Loading...