MKM-C
-
MKM-C
-
MKM-AC
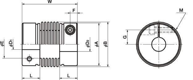
・ベローズタイプのフレキシブルカップリング。高トルクに対応できます。
・ベローズが偏心・偏角・エンドプレイを許容します。
・ミスアライメントがあっても等速回転します。
・サーボモータの1/10テーパ軸にも対応できるアダプタタイプMKM-ACを標準化。
・バックラッシュ0
・高トルク
・高剛性
共通仕様
| 材質(ハブ) | A2017相当 |
|---|---|
| 材質(ベローズ) | SUS316Ti相当 |
| 材質(アダプタ) | MKM-AC:SUS303 |
| 材質(六角穴付きボルト) | SCM435相当、無電解ニッケルメッキ |

