モノづくりの困ったを解決する総合サイト

Produced by

鍋屋バイテック会社

カップリング|カプリコン(オルダムタイプ) MOSシリーズ

MOS

  • MOS

  • MOS-C

・オルダムタイプのフレキシブルカップリングです。
・ハブとスペーサがスリップすることにより、大きな偏心・偏角を許容します。
・ミスアライメントにより発生する軸荷重が小さく、軸への負担を軽減します。
・電気絶縁性があります。

・許容ミスアライメント大
・偏心反力小

#カップリング

共通仕様

材質(ハブ) A2017、アルマイト処理
材質(スペーサ) ポリアセタール
六角穴付き止めねじ SCM435、四三酸化鉄皮膜(黒)
六角穴付きボルト SCM435、四三酸化鉄皮膜(黒)

CADメーカーTOP

詳細仕様

  • 72件中 1-10件

  • 表示件数

72件の型式

型式 タイプ サイズ 寸法(mm) ねじ締めつけ
トルク
(N・m)
標準軸穴径(mm) 常用トルク
(N・m)
最大トルク
(N・m)
最高回転数
(min-1)
慣性モーメント
(kg・m2)
静的ねじり
ばね定数
(N・m/rad)
許容偏心
(mm)
許容偏角
(°)
質量
(g)
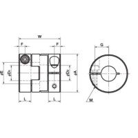
A L W E F G M D1 D2
MOS-8-1×1 セットスクリュー MOS-8 8 4.8 12.7 4 2.3 - M3 0.7 1 1 0.08 0.16 78000 1.2×10^-8 2 0.5 2 2
MOS-8-1×2 セットスクリュー MOS-8 8 4.8 12.7 4 2.3 - M3 0.7 1 2 0.08 0.16 78000 1.2×10^-8 2 0.5 2 2
MOS-8-1×2.5 セットスクリュー MOS-8 8 4.8 12.7 4 2.3 - M3 0.7 1 2.5 0.08 0.16 78000 1.2×10^-8 2 0.5 2 2
MOS-8-1×3 セットスクリュー MOS-8 8 4.8 12.7 4 2.3 - M3 0.7 1 3 0.08 0.16 78000 1.2×10^-8 2 0.5 2 2
MOS-8-2×2 セットスクリュー MOS-8 8 4.8 12.7 4 2.3 - M3 0.7 2 2 0.08 0.16 78000 1.2×10^-8 2 0.5 2 2
MOS-8-2×2.5 セットスクリュー MOS-8 8 4.8 12.7 4 2.3 - M3 0.7 2 2.5 0.08 0.16 78000 1.2×10^-8 2 0.5 2 2
MOS-8-2×3 セットスクリュー MOS-8 8 4.8 12.7 4 2.3 - M3 0.7 2 3 0.08 0.16 78000 1.2×10^-8 2 0.5 2 2
MOS-8-3×3 セットスクリュー MOS-8 8 4.8 12.7 4 2.3 - M3 0.7 3 3 0.08 0.16 78000 1.2×10^-8 2 0.5 2 2
MOS-8-2.5×2.5 セットスクリュー MOS-8 8 4.8 12.7 4 2.3 - M3 0.7 2.5 2.5 0.08 0.16 78000 1.2×10^-8 2 0.5 2 2
MOS-8-2.5×3 セットスクリュー MOS-8 8 4.8 12.7 4 2.3 - M3 0.7 2.5 3 0.08 0.16 78000 1.2×10^-8 2 0.5 2 2

型式 商品コード 単位 価格
(円)
基準納期
日伝 メーカー
MOS-8-1×1 MOS-8-1-1 P 3,630 - 在庫品
MOS-8-1×2 MOS-8-1-2 P 3,630 - 在庫品
MOS-8-1×2.5 MOS-8-1-2.5 P 3,630 - 在庫品
MOS-8-1×3 MOS-8-1-3 P 3,630 - 在庫品
MOS-8-2×2 MOS-8-2-2 P 3,630 - 在庫品
MOS-8-2×2.5 MOS-8-2-2.5 P 3,630 - 在庫品
MOS-8-2×3 MOS-8-2-3 P 3,630 - 在庫品
MOS-8-3×3 MOS-8-3-3 P 3,630 - 在庫品
MOS-8-2.5×2.5 MOS-8-2.5-2.5 P 3,630 - 在庫品
MOS-8-2.5×3 MOS-8-2.5-3 P 3,630 - 在庫品

関連製品

この製品を見た人はこのような製品も見ています

1952年設立で、動力伝導機器・産業機器・制御機器等の機械設備及び機械器具関連製品の販売をしている専門総合商社です。
日本国内で40以上の拠点を持ち、信頼性の高い製品と技術力で、全国のものづくりに携わる方々のあらゆるお困りごとを解決しています。

Loading...