MLR-C
-
MLR-C
-
MLR-V
-
MLRS-C
-
MLRS-V
-
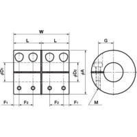
セミスプリットタイプ
・ロングタイプのリジッドカップリングです。
・軸を継ぎ足すジョイントとしても使用できます。
・アルミニウム合金製・ステンレス製の2種類があります。
・クランピングタイプとセミスプリットタイプがあります。
・軸穴完成品で、異径軸穴の組み合わせも標準化しています。
共通仕様
| 材質(本体) | MLR:A2017、アルマイト処理 MLRS:SUS303 |
|---|---|
| 材質(六角穴付きボルト) | MLR:SCM435、四三酸化鉄皮膜(黒) MLRS:SUSXM7 |

