MOC-C
-
MOC-C
・オルダムタイプのフレキシブルカップリングです。
・スペーサには環境にやさしいリサイクル炭素繊維入り樹脂を採用。MORより高トルク仕様です。
・ハブとスペーサがスリップすることにより、大きな偏心・偏角を許容します。
・ミスアライメントにより発生する偏心反力が小さく、軸への負担を軽減します。
・シンプル構造で組み立てが簡単です。
・日本工作機器工業会における団体規格(TES 1403)準拠品です。
<用途>
・スパッタリング装置/パーツフィーダ/工作用ミシン/アミューズメント機器
共通仕様
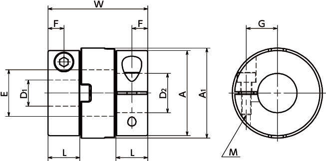
| 材質(ハブ) | A2017 アルマイト処理 |
|---|---|
| 材質(スペーサ) | リサイクル炭素繊維入りポリアセタール |
| 材質(六角穴付き止めねじ) | SCM435 四三酸化鉄皮膜(黒) |
| 材質(六角穴付きボルト) | SCM435 四三酸化鉄皮膜(黒) |

