モノづくりの困ったを解決する総合サイト

Produced by

鍋屋バイテック会社

カップリング|カプリコン(オルダムタイプ) MORシリーズ

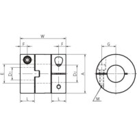
  • MOR

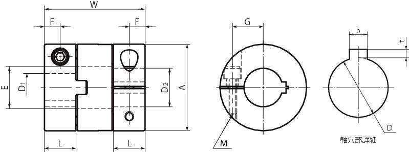
  • MOR-C

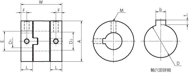
  • MOR-K

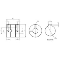
  • MOR-CK

・オルダムタイプのフレキシブルカップリングです。
・ハブとスペーサがスリップすることにより、大きな偏心・偏角を許容します。
・ミスアライメントにより発生する偏心反力が小さく、軸への負担を軽減します。
・シンプル構造で組み立てが簡単です。

・高トルク
・許容ミスアライメント大
・偏心反力小
・電気絶縁性

#カップリング

共通仕様

材質(ハブ) A2017、アルマイト処理
材質(スペーサ) ポリアセタール
材質(六角穴付き止めねじ) SCM435、四三酸化鉄皮膜(黒)
材質(六角穴付きボルト) SCM435、四三酸化鉄皮膜(黒)

詳細仕様

  • 807件中 1-10件

  • 表示件数

807件の型式

型式 タイプ サイズ 寸法(mm) 寸法(mm) ねじ締めつけ
トルク
(N・m)
標準軸穴径(mm) キー溝D1 キー溝D2 常用
トルク
(N・m)
最大
トルク
(N・m)
最高
回転数
(min-1)
慣性
モーメント
(kg・m2
静的ねじり
ばね定数
(N・m/rad)
許容
偏心
(mm)
許容
偏角
(°)
質量
(g)
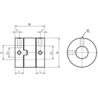
A L W E F G M D1 D2 呼び 寸法 b t 呼び 寸法 b t
(mm) 許容差 (mm) 許容差 (mm) 許容差 (mm) 許容差
MOR-6-1×1 セットスクリュー MOR-6 6 2.5 8.4 2.1 1.3 - M2 0.3 1 1 - - - - - - - - - - 0.2 0.4 100000 2.2×10^-9 5 0.5 3 0.4
MOR-6-1×1.5 セットスクリュー MOR-6 6 2.5 8.4 2.1 1.3 - M2 0.3 1 1.5 - - - - - - - - - - 0.2 0.4 100000 2.2×10^-9 5 0.5 3 0.4
MOR-6-1×2 セットスクリュー MOR-6 6 2.5 8.4 2.1 1.3 - M2 0.3 1 2 - - - - - - - - - - 0.2 0.4 100000 2.2×10^-9 5 0.5 3 0.4
MOR-6-1.5×1.5 セットスクリュー MOR-6 6 2.5 8.4 2.1 1.3 - M2 0.3 1.5 1.5 - - - - - - - - - - 0.2 0.4 100000 2.2×10^-9 5 0.5 3 0.4
MOR-6-1.5×2 セットスクリュー MOR-6 6 2.5 8.4 2.1 1.3 - M2 0.3 1.5 2 - - - - - - - - - - 0.2 0.4 100000 2.2×10^-9 5 0.5 3 0.4
MOR-6-2×2 セットスクリュー MOR-6 6 2.5 8.4 2.1 1.3 - M2 0.3 2 2 - - - - - - - - - - 0.2 0.4 100000 2.2×10^-9 5 0.5 3 0.4
MOR-8-1×1 セットスクリュー MOR-8 8 2.5 9.6 3.1 1.3 - M2 0.3 1 1 - - - - - - - - - - 0.5 1 78000 7.4×10^-9 12 0.7 3 0.8
MOR-8-1×2 セットスクリュー MOR-8 8 2.5 9.6 3.1 1.3 - M2 0.3 1 2 - - - - - - - - - - 0.5 1 78000 7.4×10^-9 12 0.7 3 0.8
MOR-8-1×3 セットスクリュー MOR-8 8 2.5 9.6 3.1 1.3 - M2 0.3 1 3 - - - - - - - - - - 0.5 1 78000 7.4×10^-9 12 0.7 3 0.8
MOR-8-2×2 セットスクリュー MOR-8 8 2.5 9.6 3.1 1.3 - M2 0.3 2 2 - - - - - - - - - - 0.5 1 78000 7.4×10^-9 12 0.7 3 0.8

型式 商品コード 単位 価格
(円)
基準納期
日伝 メーカー
MOR-6-1×1 MOR-6-1-1 P 1,080 - 在庫品
MOR-6-1×1.5 MOR-6-1-1.5 P 1,080 - 在庫品
MOR-6-1×2 MOR-6-1-2 P 1,080 - 在庫品
MOR-6-1.5×1.5 MOR-6-1.5-1.5 P 1,080 - 在庫品
MOR-6-1.5×2 MOR-6-1.5-2 P 1,080 - 在庫品
MOR-6-2×2 MOR-6-2-2 P 1,080 - 在庫品
MOR-8-1×1 MOR-8-1-1 P 1,170 - 在庫品
MOR-8-1×2 MOR-8-1-2 P 1,170 - 在庫品
MOR-8-1×3 MOR-8-1-3 P 1,170 - 在庫品
MOR-8-2×2 MOR-8-2-2 P 1,170 - 在庫品

関連製品

この製品を見た人はこのような製品も見ています

1952年設立で、動力伝導機器・産業機器・制御機器等の機械設備及び機械器具関連製品の販売をしている専門総合商社です。
日本国内で40以上の拠点を持ち、信頼性の高い製品と技術力で、全国のものづくりに携わる方々のあらゆるお困りごとを解決しています。

Loading...