-
-
MOR
-
MOR-C
-
MOR-K
-
MOR-CK
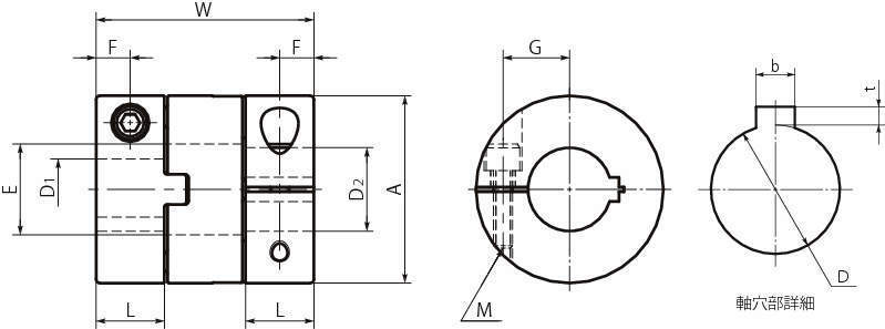
・オルダムタイプのフレキシブルカップリングです。
・ハブとスペーサがスリップすることにより、大きな偏心・偏角を許容します。
・ミスアライメントにより発生する偏心反力が小さく、軸への負担を軽減します。
・シンプル構造で組み立てが簡単です。
・高トルク
・許容ミスアライメント大
・偏心反力小
・電気絶縁性
共通仕様
| 材質(ハブ) | A2017、アルマイト処理 |
|---|---|
| 材質(スペーサ) | ポリアセタール |
| 材質(六角穴付き止めねじ) | SCM435、四三酸化鉄皮膜(黒) |
| 材質(六角穴付きボルト) | SCM435、四三酸化鉄皮膜(黒) |

