モノづくりの困ったを解決する総合サイト

Produced by

鍋屋バイテック会社

カップリング|カプリコン(オルダムタイプ) MOMシリーズ

  • MOM

  • MOM-C

  • MOM-K

  • MOM-CK

・オルダムタイプのフレキシブルカップリングです。
・スペーサにFCD400を採用。低速・高トルク仕様に最適です。
・ハブとスペーサの間に高性能グリースを塗布し、焼きつき防止をはかっています。
・ハブとスペーサがスリップすることにより、大きな偏心・偏角を許容します。
・スペーサに設けた突起(樹脂ピン)が偏角を無理なく許容します。
・長期メンテナンスフリー。グリスホールに溜まったグリースが運転中に徐々に染み出すことにより長期潤滑性能を維持します。

・高トルク
・高剛性

#カップリング
#メンテナンスフリー

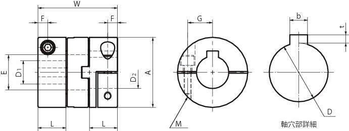
共通仕様

材質(ハブ) S45C 四三酸化鉄皮膜(黒)
材質(スペーサ) FCD400 四三酸化鉄皮膜(黒)
材質(ピン) ポリアセタール
材質(六角穴付き止めねじ) SCM435 四三酸化鉄皮膜(黒)
材質(六角穴付きボルト) SCM435 四三酸化鉄皮膜黒)

詳細仕様

  • 887件中 41-50件

  • 表示件数

887件の型式

型式 タイプ サイズ 寸法(mm) 寸法(mm) ねじ締めつけ
トルク
(N・m)
標準軸穴径(mm) キー溝D1 キー溝D2 常用
トルク
(N・m)
最大
トルク
(N・m)
最高
回転数
(min-1)
慣性
モーメント
(kg・m2
静的ねじり
ばね定数
(N・m/rad)
最大
許容偏心
(mm)
許容
偏角
(°)
質量
(g)
A L W E F G M D1 D2 呼び 寸法 b t 呼び 寸法 b t
(mm) 許容差 (mm) 許容差 (mm) 許容差 (mm) 許容差
MOM-20-5×5 セットスクリュー MOM-20 20 7 22 11.1 3.5 - M3 0.7 5 5 - - - - - - - - - - 7.7 15.4 2000 2.3×10^-6 1700 0.4 2 34
MOM-20-5×6 セットスクリュー MOM-20 20 7 22 11.1 3.5 - M3 0.7 5 6 - - - - - - - - - - 7.7 15.4 2000 2.3×10^-6 1700 0.4 2 34
MOM-20-5×6.35 セットスクリュー MOM-20 20 7 22 11.1 3.5 - M3 0.7 5 6.35 - - - - - - - - - - 7.7 15.4 2000 2.3×10^-6 1700 0.4 2 34
MOM-20-5×8 セットスクリュー MOM-20 20 7 22 11.1 3.5 - M3 0.7 5 8 - - - - - - - - - - 7.7 15.4 2000 2.3×10^-6 1700 0.4 2 34
MOM-20-5×10 セットスクリュー MOM-20 20 7 22 11.1 3.5 - M3 0.7 5 10 - - - - - - - - - - 7.7 15.4 2000 2.3×10^-6 1700 0.4 2 34
MOM-20-5×12 セットスクリュー MOM-20 20 7 22 11.1 3.5 - M3 0.7 5 12 - - - - - - - - - - 7.7 15.4 2000 2.3×10^-6 1700 0.4 2 34
MOM-20-6×6 セットスクリュー MOM-20 20 7 22 11.1 3.5 - M3 0.7 6 6 - - - - - - - - - - 7.7 15.4 2000 2.3×10^-6 1700 0.4 2 34
MOM-20-6×6.35 セットスクリュー MOM-20 20 7 22 11.1 3.5 - M3 0.7 6 6.35 - - - - - - - - - - 7.7 15.4 2000 2.3×10^-6 1700 0.4 2 34
MOM-20-6×8 セットスクリュー MOM-20 20 7 22 11.1 3.5 - M3 0.7 6 8 - - - - - - - - - - 7.7 15.4 2000 2.3×10^-6 1700 0.4 2 34
MOM-20-6×10 セットスクリュー MOM-20 20 7 22 11.1 3.5 - M3 0.7 6 10 - - - - - - - - - - 7.7 15.4 2000 2.3×10^-6 1700 0.4 2 34

型式 商品コード 単位 価格
(円)
基準納期
日伝 メーカー
MOM-20-5×5 MOM-20-5-5 P 3,120 - 在庫品
MOM-20-5×6 MOM-20-5-6 P 3,120 - 在庫品
MOM-20-5×6.35 MOM-20-5-6.35 P 3,120 - 在庫品
MOM-20-5×8 MOM-20-5-8 P 3,120 - 在庫品
MOM-20-5×10 MOM-20-5-10 P 3,120 - 在庫品
MOM-20-5×12 MOM-20-5-12 P 3,120 - 在庫品
MOM-20-6×6 MOM-20-6-6 P 3,120 - 在庫品
MOM-20-6×6.35 MOM-20-6-6.35 P 3,120 - 在庫品
MOM-20-6×8 MOM-20-6-8 P 3,120 - 在庫品
MOM-20-6×10 MOM-20-6-10 P 3,120 - 在庫品

この製品を見た人はこのような製品も見ています

1952年設立で、動力伝導機器・産業機器・制御機器等の機械設備及び機械器具関連製品の販売をしている専門総合商社です。
日本国内で40以上の拠点を持ち、信頼性の高い製品と技術力で、全国のものづくりに携わる方々のあらゆるお困りごとを解決しています。

Loading...