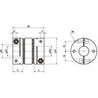
・ディスクタイプのフレキシブルカップリングです。
・ステンレスディスクが偏心・偏角・エンドプレイを許容します。
・XBWのハブには、アルミニウム合金のなかで最高強度をもつ超々ジュラルミン(A7075)を採用。
・XBWSは、ステンレスハブを使用したオールステンレスタイプ。
・バックラッシュ0
・高剛性
共通仕様
| 材質(ハブ) | XBW:A7075 XBWS:SUS303 |
|---|---|
| 材質(スペーサ) | XBW:A7075 XBWS:SUS303 |
| 材質(ボルト) | XBW:SCM435、四三酸化鉄皮膜(黒) XBWS:SUSXM7 |
| 材質(ディスク) | SUS304 |
| 材質(カラー) | SUS304 |
| 材質(六角穴付きボルト) | XBW:SCM435、四三酸化鉄皮膜(黒) XBWS:SUSXM7 |

