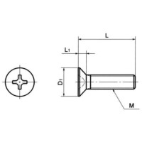
・チタン製。
・特殊化学研磨処理・光輝処理により表面を改質。放出ガスが少なく、油やゴミの付着がないクリーン仕様です。
・比重はステンレス鋼の約60%です。自動車・航空機・宇宙機器・医療関連機器・ロボットなど、軽量化を必要とする用途に。
・完全非磁性(磁束密度0)です。非磁性特性を必要とするFPD製造装置・半導体製造装置・電子機器に。
・耐薬品性・耐海水性にすぐれています。
・海洋機器・メッキ設備などの耐蝕・耐薬品用途に。
共通仕様
| 材質・仕上げ | TW270(チタン1種) |
|---|

