モノづくりの困ったを解決する総合サイト

Produced by

鍋屋バイテック会社

ネジコム(低頭ボルト)|フランジ付きボタンボルト SFB

・座面が広く、ゆるみにくい六角穴付きボタンボルトです。締めつけ後も頭部の出っ張りが気になりません。
・機器・装置のコンパクト化や安全性の向上に。

#ボルト・ナット・ワッシャー

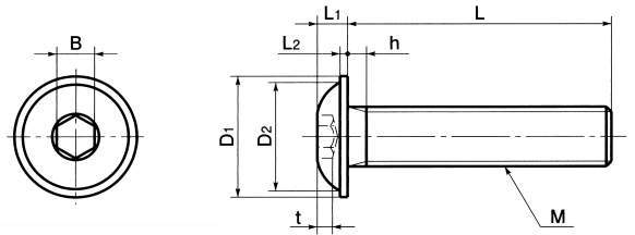
共通仕様

材質・仕上げ SCM435相当、四三酸化鉄皮膜(黒)
強度区分 10.9

CADメーカーTOP

詳細仕様

  • 27件中 1-10件

  • 表示件数

27件の型式

型式 M L D1 D2 L1 L2 B t h 最大締め付け
トルク
(N・m)
質量
(g)
1袋
入り数
SFB-M3-6 M3 6 7 5.2 1.65 0.6 2 1.05 1 1 0.5 50
SFB-M3-8 M3 8 7 5.2 1.65 0.6 2 1.05 1 1 0.6 50
SFB-M3-10 M3 10 7 5.2 1.65 0.6 2 1.05 1 1 0.6 50
SFB-M3-12 M3 12 7 5.2 1.65 0.6 2 1.05 1 1 0.7 50
SFB-M4-6 M4 6 9.2 6.8 2.2 0.7 2.5 1.3 1.4 2 1 50
SFB-M4-8 M4 8 9.2 6.8 2.2 0.7 2.5 1.3 1.4 2 1.1 50
SFB-M4-10 M4 10 9.2 6.8 2.2 0.7 2.5 1.3 1.4 2 1.3 50
SFB-M4-12 M4 12 9.2 6.8 2.2 0.7 2.5 1.3 1.4 2 1.4 50
SFB-M4-16 M4 16 9.2 6.8 2.2 0.7 2.5 1.3 1.4 2 1.6 50
SFB-M4-20 M4 20 9.2 6.8 2.2 0.7 2.5 1.3 1.4 2 1.9 50

この製品を見た人はこのような製品も見ています

1952年設立で、動力伝導機器・産業機器・制御機器等の機械設備及び機械器具関連製品の販売をしている専門総合商社です。
日本国内で40以上の拠点を持ち、信頼性の高い製品と技術力で、全国のものづくりに携わる方々のあらゆるお困りごとを解決しています。

Loading...