・座面が広く、ゆるみにくい六角穴付きボタンボルトです。締めつけ後も頭部の出っ張りが気になりません。
・機器・装置のコンパクト化や安全性の向上に。
共通仕様
| 材質・仕上げ | SUSXM7(SUS304相当) |
|---|---|
| 強度区分 | A2-50 |
鍋屋バイテック会社
・座面が広く、ゆるみにくい六角穴付きボタンボルトです。締めつけ後も頭部の出っ張りが気になりません。
・機器・装置のコンパクト化や安全性の向上に。
| 材質・仕上げ | SUSXM7(SUS304相当) |
|---|---|
| 強度区分 | A2-50 |
21件の型式
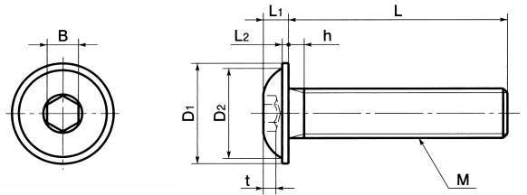
| 型式 | M | L | D1 | D2 | L1 | L2 | B | t | h |
最大締め付け トルク (N・m) |
質量 (g) |
1袋 入り数 |
|---|---|---|---|---|---|---|---|---|---|---|---|---|
| SFBS-M3-6 | M3 | 6 | 7 | 5.2 | 1.65 | 0.6 | 2 | 1.05 | 1 | 0.25 | 0.5 | 20 |
| SFBS-M3-8 | M3 | 8 | 7 | 5.2 | 1.65 | 0.6 | 2 | 1.05 | 1 | 0.25 | 0.6 | 20 |
| SFBS-M3-10 | M3 | 10 | 7 | 5.2 | 1.65 | 0.6 | 2 | 1.05 | 1 | 0.25 | 0.6 | 20 |
| SFBS-M3-12 | M3 | 12 | 7 | 5.2 | 1.65 | 0.6 | 2 | 1.05 | 1 | 0.25 | 0.7 | 20 |
| SFBS-M4-6 | M4 | 6 | 9.2 | 6.8 | 2.2 | 0.7 | 2.5 | 1.3 | 1.4 | 0.5 | 1 | 20 |
| SFBS-M4-8 | M4 | 8 | 9.2 | 6.8 | 2.2 | 0.7 | 2.5 | 1.3 | 1.4 | 0.5 | 1.1 | 20 |
| SFBS-M4-10 | M4 | 10 | 9.2 | 6.8 | 2.2 | 0.7 | 2.5 | 1.3 | 1.4 | 0.5 | 1.3 | 20 |
| SFBS-M4-12 | M4 | 12 | 9.2 | 6.8 | 2.2 | 0.7 | 2.5 | 1.3 | 1.4 | 0.5 | 1.4 | 20 |
| SFBS-M4-16 | M4 | 16 | 9.2 | 6.8 | 2.2 | 0.7 | 2.5 | 1.3 | 1.4 | 0.5 | 1.6 | 20 |
| SFBS-M4-20 | M4 | 20 | 9.2 | 6.8 | 2.2 | 0.7 | 2.5 | 1.3 | 1.4 | 0.5 | 1.9 | 20 |
製品についてのご質問やお困りごとなどお気軽にご相談ください!