SFBS-UC
- 
                
SFBS-UC
 
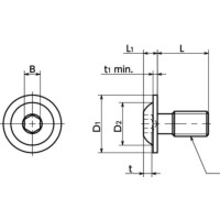
                ・ステンレス製の薄板固定用フランジ付きボタンボルトです。
・頭部のフランジにより、キリ穴が大きな薄板でも座面を確保し、固定が可能です。
・「SFBS」は首下部分に逃がし加工があるため、薄板の固定に適しています。薄板0,1mmから締結可能です。
・機器装置の省スペース化や上部スペースが限られた箇所に。
・寸法・材質・頭部形状など、特殊仕様の薄板固定ボルトも製作いたします。お問い合わせください。
<用途>
・半導体製造装置などの外装パネル、機器・装置の省スペース化
              
共通仕様
| 材質・仕上げ | SUSXM7(SUS304相当) | 
|---|---|
| 強度区分 | A2-50 | 

              
                    
                            
                  
                  
                  
                  