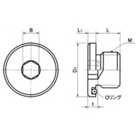
・Oリングが付属しています。
・平行ねじのため、テーパねじを締めつけたときのようなめねじ側部材の歪みが発生しません。取りつけ・取りはずしの多い油圧機器・空圧機器などの用途に適しています。
共通仕様
| 材質・仕上げ | 本体:SCM435(硬度32~42HRC)、四三酸化鉄皮膜(黒) Oリング:ニトリルゴム(JIS B 2401の1種B) |
|---|
鍋屋バイテック会社
・Oリングが付属しています。
・平行ねじのため、テーパねじを締めつけたときのようなめねじ側部材の歪みが発生しません。取りつけ・取りはずしの多い油圧機器・空圧機器などの用途に適しています。
| 材質・仕上げ | 本体:SCM435(硬度32~42HRC)、四三酸化鉄皮膜(黒) Oリング:ニトリルゴム(JIS B 2401の1種B) |
|---|
10件の型式
| 型式 | M | L | D1 | L1 | B | t |
Oリング No. |
推奨締め付け トルク (N・m) |
質量 (g) |
1袋 入り数 |
|---|---|---|---|---|---|---|---|---|---|---|
| SFM-M8 | M8×1 | 7 | 16 | 4 | 5 | 3.5 | P10 | 15.7 | 4 | 1 |
| SFM-M10 | M10×1 | 8 | 19.5 | 4 | 5 | 4 | P12.5 | 19.6 | 7 | 1 |
| SFM-M12 | M12×1.5 | 12 | 21 | 4 | 6 | 5 | P14 | 27.5 | 14 | 1 |
| SFM-M14 | M14×1.5 | 12 | 23 | 4 | 6 | 5 | P16 | 39.2 | 19 | 1 |
| SFM-M16 | M16×1.5 | 12 | 25 | 4 | 8 | 6 | P18 | 63.7 | 25 | 1 |
| SFM-M18 | M18×1.5 | 12 | 27 | 4 | 8 | 6 | P20 | 78.5 | 32 | 1 |
| SFM-M20 | M20×1.5 | 14 | 32.5 | 5 | 10 | 6.5 | P22.4 | 113 | 47 | 1 |
| SFM-M22 | M22×1.5 | 14 | 35 | 5 | 10 | 6.5 | P25 | 137 | 57 | 1 |
| SFM-M24 | M24×1.5 | 14 | 38 | 5 | 12 | 7.5 | P28 | 201 | 68 | 1 |
| SFM-M27 | M27×2 | 16 | 40 | 5 | 12 | 7.5 | P30 | 245 | 94 | 1 |
製品についてのご質問やお困りごとなどお気軽にご相談ください!