・動圧49MPaまでの高油圧用途に。
・油圧機器の高圧化、コンパクト化や安全性の向上に。
共通仕様
| 材質・仕上げ | SCM435(硬度32~42HRC)、四三酸化鉄皮膜(黒) |
|---|
鍋屋バイテック会社
・動圧49MPaまでの高油圧用途に。
・油圧機器の高圧化、コンパクト化や安全性の向上に。
| 材質・仕上げ | SCM435(硬度32~42HRC)、四三酸化鉄皮膜(黒) |
|---|
6件の型式
| 型式 |
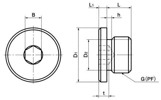
G(PF) ねじの呼び |
L | D1 | L1 | D2 | B | t | h |
Oリング No. |
推奨締め付け トルク (N・m) |
質量 (g) |
1袋 入り数 |
|---|---|---|---|---|---|---|---|---|---|---|---|---|
| SFF-1 | G1/8 | 10 | 16 | 4 | 8.2 | 5 | 3 | 2 | P8 | 14.7 | 9 | 1 |
| SFF-2 | G1/4 | 12 | 21 | 4 | 11.2 | 6 | 4 | 2.5 | P11 | 29.4 | 17 | 1 |
| SFF-3 | G3/8 | 12 | 24 | 4 | 14.2 | 8 | 5 | 2.5 | P14 | 49 | 27 | 1 |
| SFF-4 | G1/2 | 16 | 30 | 4 | 18.2 | 10 | 6 | 2.5 | P18 | 78.5 | 54 | 1 |
| SFF-6 | G3/4 | 16 | 40 | 5 | 23.7 | 12 | 7 | 3.5 | P24 | 147 | 90 | 1 |
| SFF-8 | G1 | 21 | 45 | 5 | 29.2 | 17 | 10 | 3.5 | P29 | 245 | 177 | 1 |
製品についてのご質問やお困りごとなどお気軽にご相談ください!