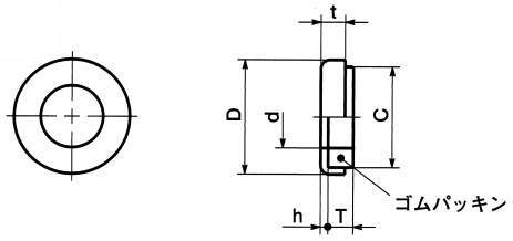
・ステンレスの座金にゴムパッキンが組み込まれたシール座金。
・ボルト締めつけ部からの気体・液体の漏れを防止します。
・締めつけてもゴムが逃げにくく、ボルトのねじ山部にゴムが圧着されシールします。
・油圧機器・空圧機器などの用途に。
・フッ素ゴム仕様は耐薬品性・耐熱性・耐オゾン性にすぐれています。
共通仕様
| 材質・仕上げ | SUS304 |
|---|---|
| ゴムパッキン | SWS:NBR SWS-F:フッ素ゴム |
| 使用可能温度 | SWS:120℃ SWS-F:200℃ |

