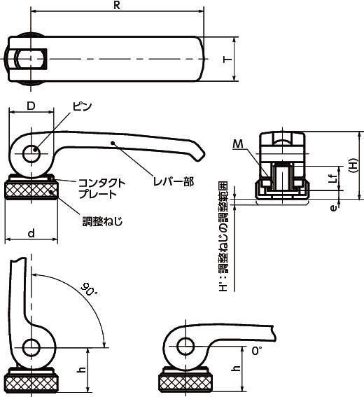
■レバーの上下動作ですばやく締めつけと解放を行います。
■調整ねじによってレバーを任意の向きにした状態で、締めつけを調整することができます。
■レバー部とピンを完全に固定する構造で耐久性を高めています。
・くり返しの使用でもレバー部とピンの接触面の摩耗によるガタつきの発生はありません。
■カラーバリエーションは4色。
・用途によって選択できます。
・オレンジ・レッドは誘目性が高く操作箇所の明確化に適しています。
・つや消し黒・シルバーグレーは機械・装置の外観と調和する落ち着いた色合いです。
共通仕様
| レバー | 亜鉛ダイカスト、静電塗装(各色) |
|---|---|
| ねじ | SUM22L、三価クロメート処理 |
| ピン | SUS303相当、無電解ニッケルメッキ |
| コンタクトプレート | ポリアセタール |
| 調節ねじ | SUM22L、三価クロメート処理 |

