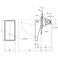
・ハンドルを倒すと、ゴムブッシュが軸方向に圧縮され、円周方向に膨張してドアをラッチします。
・ドアとフレームにミスアライメントがあっても、ゴムブッシュの変形でラッチングできます。
・ガラス・プラスティックなどのドア・フレームにも適用できます。
共通仕様
| ハンドル・ナット | ナイロン66(黒) |
|---|---|
| シャフト | 真鍮(黒) |
| ゴムブッシュ | SBR(黒) |
| ピン | SUS302 |
鍋屋バイテック会社
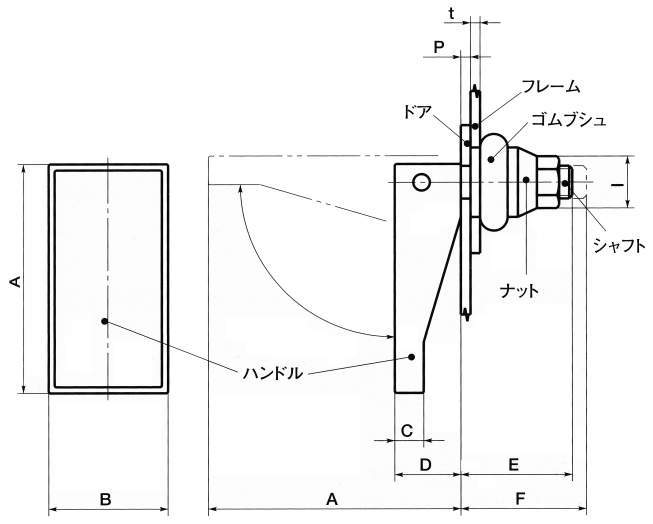
・ハンドルを倒すと、ゴムブッシュが軸方向に圧縮され、円周方向に膨張してドアをラッチします。
・ドアとフレームにミスアライメントがあっても、ゴムブッシュの変形でラッチングできます。
・ガラス・プラスティックなどのドア・フレームにも適用できます。
| ハンドル・ナット | ナイロン66(黒) |
|---|---|
| シャフト | 真鍮(黒) |
| ゴムブッシュ | SBR(黒) |
| ピン | SUS302 |
3件の型式
| 型式 | シリーズ | A | B | C | D | E | F |
I (二面幅) |
max.P |
質量 (g) |
|---|---|---|---|---|---|---|---|---|---|---|
| 19-81-10 | 81 | 28 | 12 | 4 | 8 | 13 | 15.5 | 6 | 3.2 | 5 |
| 19-91-10 | 91 | 39 | 17 | 5 | 11.5 | 19 | 22.5 | 8 | 4.8 | 10 |
| 19-10-101-10 | 101 | 56 | 29 | 7 | 16 | 27 | 31.5 | 11 | 6.4 | 29 |
| 型式 | 商品コード | 単位 |
価格 (円) |
基準納期 | |
|---|---|---|---|---|---|
| 日伝 | メーカー | ||||
| 19-81-10 | 19-81-10 | P | 1,010 | - | 在庫品 |
| 19-91-10 | 19-91-10 | P | 1,110 | - | 在庫品 |
| 19-10-101-10 | 19-10-101-10 | P | 1,610 | - | 在庫品 |
製品についてのご質問やお困りごとなどお気軽にご相談ください!