F6コンシールドヒンジ
-
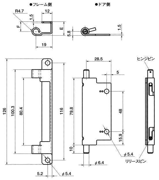
F6コンシールドヒンジ
・外部から見えない裏ヒンジです。
・スティール製“F6-*”・ステンレス“F6-*-1”の2タイプ。
・リリースピンを操作することにより、ドアをフレームから取りはずすことができます。
・ドアの形状にあわせ、3種類から選択できます。
・ねじ付帯サービス(別料金)をご利用の場合、商品品番の末尾に「-P」を追加してください。
共通仕様
| 本体 | F6-*:S10C、三価クロメート処理 F6-*-1:SUS304 |
|---|---|
| ヒンジピン | F6-*:SUM24L、三価クロメート処理 F6-*-1:SUS303 |
| リリースピン | SUS420 |
| スプリング | ステンレス鋼線 |
| 六角穴付きボルト(ねじ付帯サービス) | SUSXM7 |

