NLSEUS
-
NLSEUS
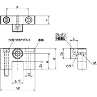
・ウレタン「NSBU」を組み込んだ門型のリニアガイド用ストッパ。レール上部からの取りつけが可能です。
・ウレタンが金属同士の衝撃音を緩和します。
・対応レールサイズは15mm・20mm・25mm・30mm・35mm。
・全商品に取りつけ用の六角穴付きボルトが付属しています。
<用途>
・金属同士の衝撃音を緩和
・テーブルの抜け止めや落下防止
・緊急停止用のストッパ
共通仕様
| 本体 | SUS304 |
|---|---|
| 六角穴付きボルト | SUSXM7 |
| ウレタン「NSBU」:ウレタン | ウレタン(黒) 硬度ショアA90 |
| ウレタン「NSBU」:六角穴付き低頭ボルト | S45C 三価クロメート処理 |
| ウレタン「NSBU」:カラー | SUS304 |

