NLSPNS
-
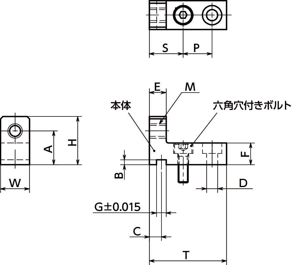
NLSPNS
・ねじ穴(細目)加工済みのコンパクトなリニアガイド用ストッパ。機器・装置の省スペース化やスペースが限られた箇所に。
・細目ねじのストッパボルトと組み合わせることで微調整が容易です。
・ステンレス製。耐蝕性が必要な環境に適しています。
・全商品に取りつけ用の六角穴付きボルトが付属しています。
※ストッパボルトは付属していません。別途ご用意ください。
<用途>
・テーブルの位置調整
・テーブルの抜け止めや落下防止
・緊急停止用のストッパ
共通仕様
| 本体 | SCS13 |
|---|---|
| 六角穴付きボルト | SUSXM7 |

