NLSPN-U
-
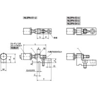
NLSPN-U
・ウレタンつきストッパボルト「NSBUH」を組み込んだコンパクトタイプのリニアガイド用ストッパ。機器・装置の省スペース化やスペースが限られた箇所に。
・ウレタンが金属同士の衝撃音を緩和します。
・ストッパボルトはねじ込み量の微調整が容易な細目ねじタイプ。
・全商品に取りつけ用の六角穴付きボルトが付属しています。
<用途>
・金属同士の衝撃音を緩和
・テーブルの位置調整
・テーブルの抜け止めや落下防止
・緊急停止用のストッパ
共通仕様
| 本体 | S25C 四三酸化鉄皮膜(黒) |
|---|---|
| 六角穴付きボルト | SCM435 四三酸化鉄皮膜(黒) |
| ウレタンつきストッパボルト「NSBUH」:ウレタン「NSBUH-U」 | ウレタン(黒) 硬度ショアA90 |
| ウレタンつきストッパボルト「NSBUH」:ストッパボルト | S45C 無電解ニッケルメッキ |
| ウレタンつきストッパボルト「NSBUH」:ロックナット | SUS304 |

